EasyManua.ls Logo

Extech Instruments PQ3470 - 3 W (Single Phase Three Wire) Measurement

Extech Instruments PQ3470
35 pages
Print Icon
To Next Page IconTo Next Page
To Next Page IconTo Next Page
To Previous Page IconTo Previous Page
To Previous Page IconTo Previous Page
Loading...
PQ3470-en-GB_V1.9 10/15
22
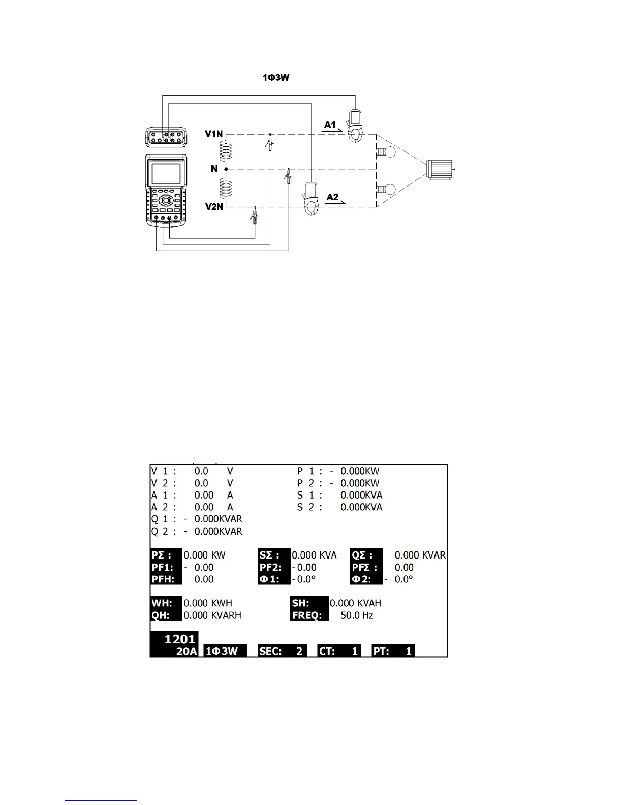
5.2 1Φ3W (single phase - three wire) Measurement
1. Power the instrument ON by pressing ‘Power’ key (item 3-7; Section 3 diagrams), and then
press the ‘1Φ 3Φ’ key (item 3-22) to select 1Φ 3W, the selected name of the configuration
will appear on bottom left hand side of the display.
2. Connect the line voltage L1, L2 and Vn (Neutral) to V1, V2 and N terminals of the
instrument
3. Connect the two (2) clamps (A1 and A2) to the conductors (A1) and (A2)
4. Connect Clamp 1 and Clamp 2 (A1 and A2) to the A1 and A2 terminals of the
instrument
5. The related measurement factors will appear on the display
6. Measurement definitions can be found in Section 5-15
Figure 5-2

Related product manuals