EasyManua.ls Logo

Extech Instruments PQ3470 - 3 W (Three Phase Three Wire) Measurement

Extech Instruments PQ3470
35 pages
Print Icon
To Next Page IconTo Next Page
To Next Page IconTo Next Page
To Previous Page IconTo Previous Page
To Previous Page IconTo Previous Page
Loading...
PQ3470-en-GB_V1.9 10/15
23
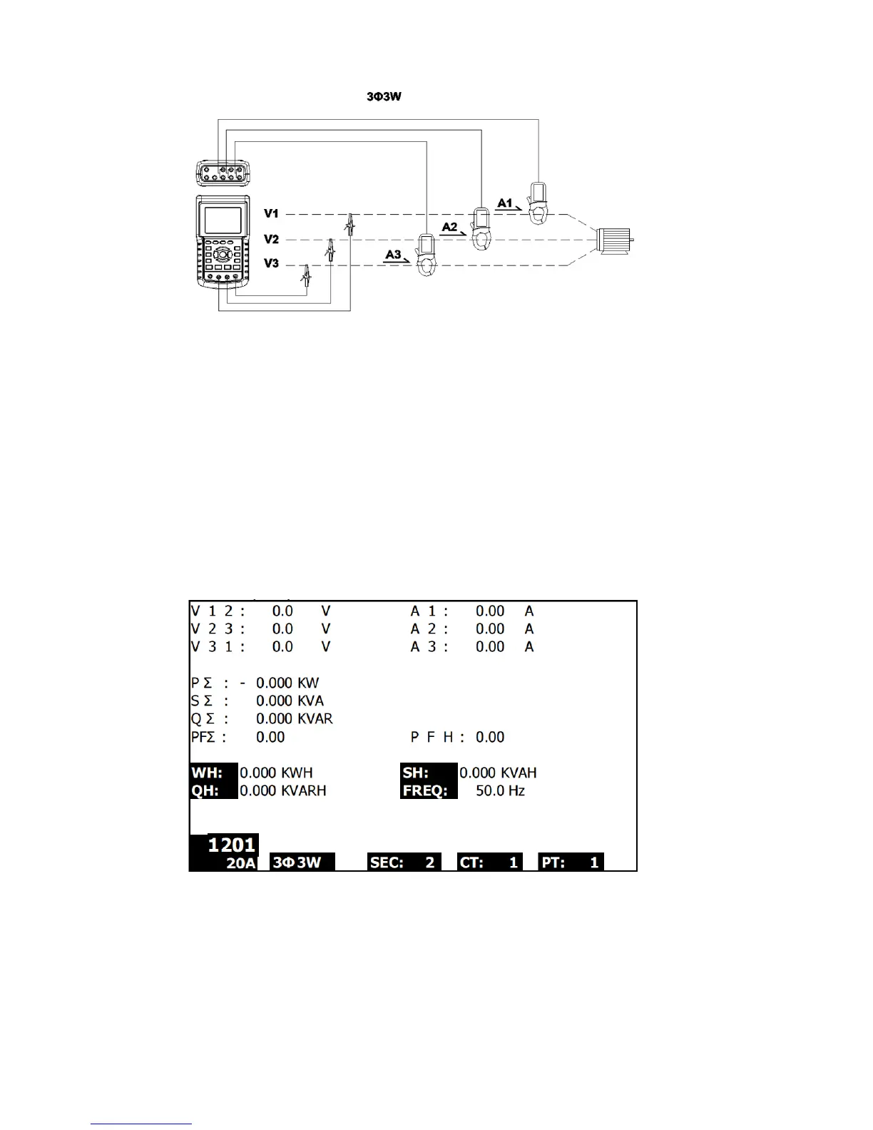
5.3 3
Φ
3W (three phase - three wire) Measurement
1. Power the instrument ON by pressing the ‘Power’ key (item 3-7; Section 3 diagrams), and
then press ‘1Φ 3Φ’ (item 3-22) to select 3Φ 3W, the selected configuration name will
appear on bottom left hand side of the display.
2. Connect the line voltage L1, L2 and L3 to V1, V2 and V3 terminals of the instrument.
3. Connect the three (3) clamps (A1, A2, A3) to conductors A1, A2 , A3
4. Connect the three (3) Clamps to the meter using the A1, A2, and A3 terminals
5. The related measurement factors will appear on the display
6. Measurement definitions can be found in Section 5-15
Figure 5-3

Related product manuals