EasyManua.ls Logo

EZA ECB Series - Page 77

Default Icon
94 pages
Print Icon
To Next Page IconTo Next Page
To Next Page IconTo Next Page
To Previous Page IconTo Previous Page
To Previous Page IconTo Previous Page
Loading...
75
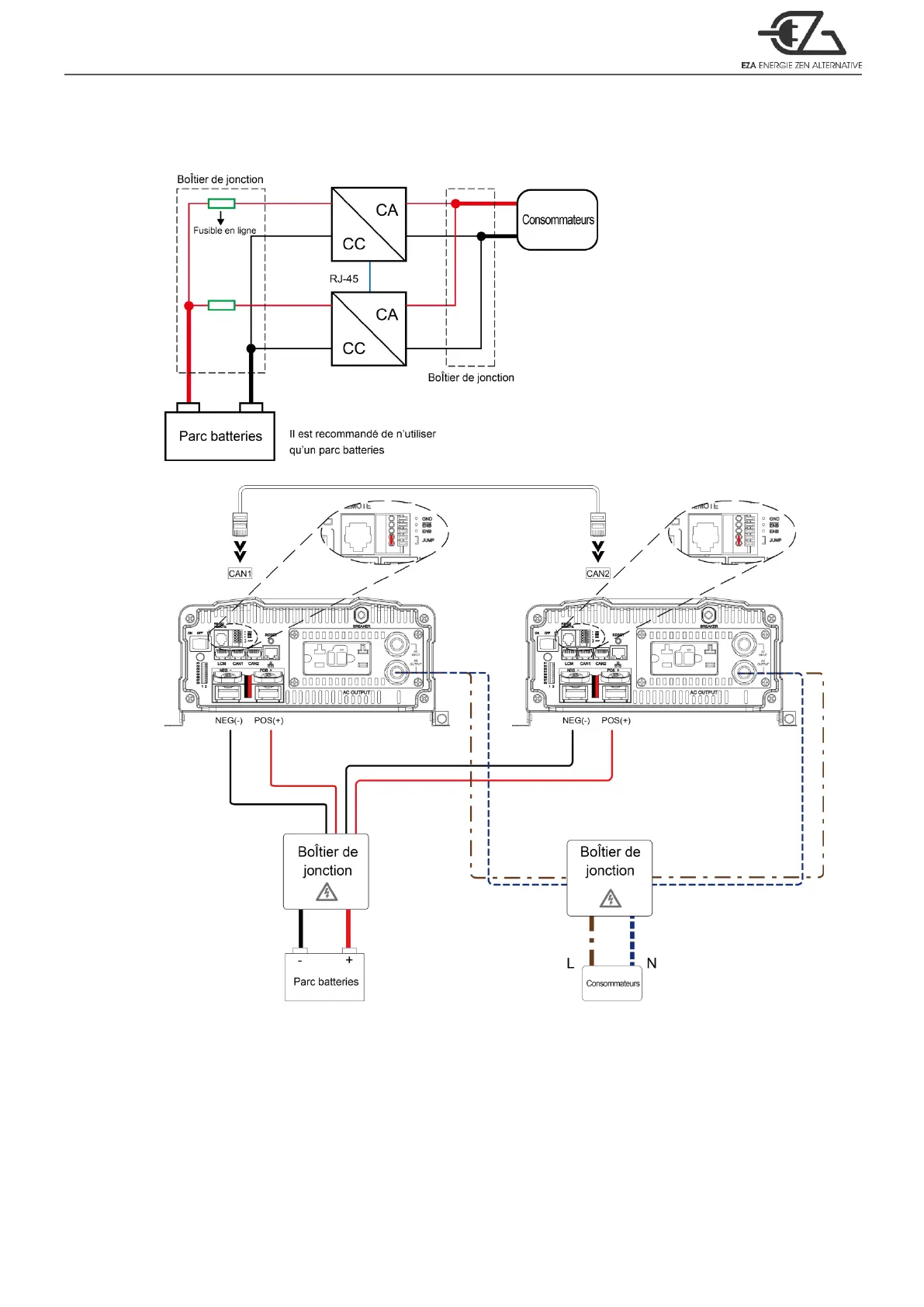
5-3-2. Schémas
Schéma 26. Schéma de câblage_1
Schéma 27. Schéma de câblage_2

Table of Contents

Related product manuals