EasyManua.ls Logo

FAAC A140 AIR - Page 56

FAAC A140 AIR
71 pages
Print Icon
To Next Page IconTo Next Page
To Next Page IconTo Next Page
To Previous Page IconTo Previous Page
To Previous Page IconTo Previous Page
Loading...
53
6
OK
OK
OK
OK
OK
1
2
3.2
3
4
OK
OK
OK
OK
OK
OK
OK
3.1
OK OK
OK OK
OK
OK
OK
OK
OK
OK
OK
OK OK
OK
OK
OK
OK
OK
3.3
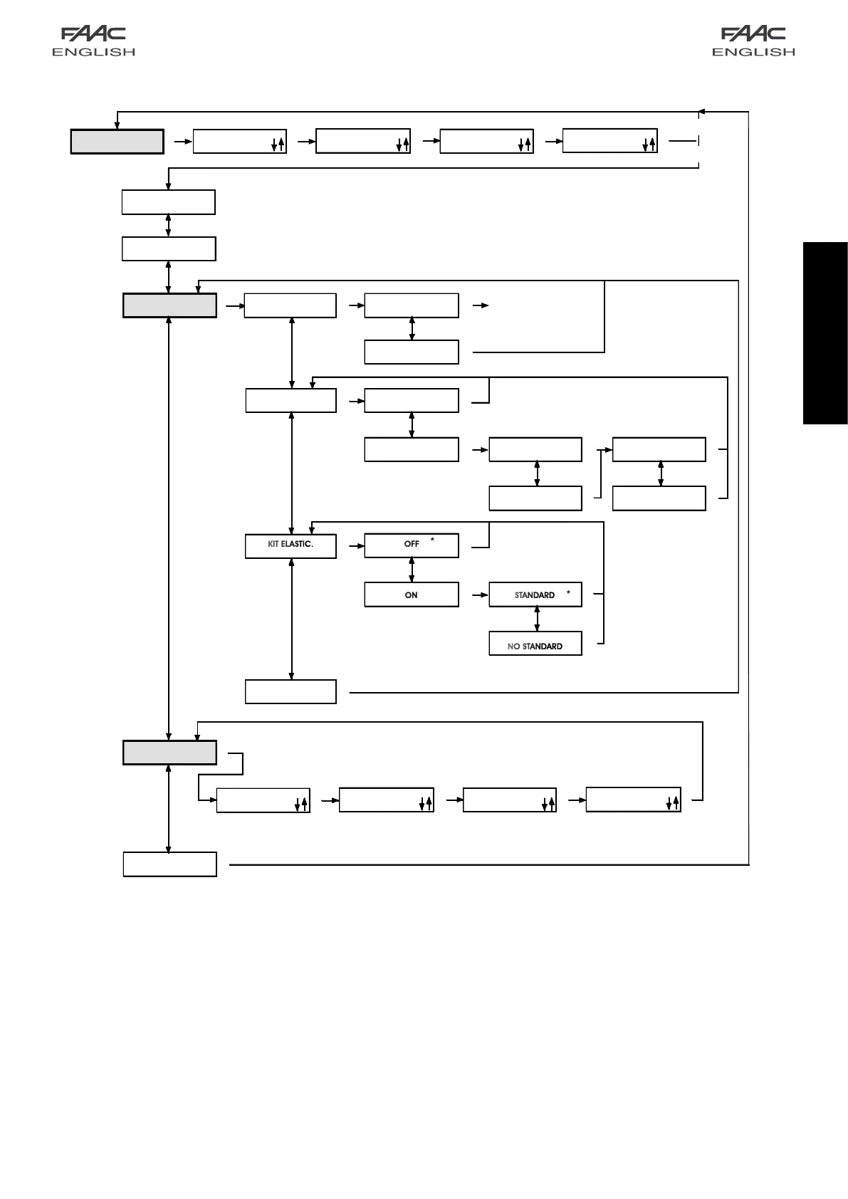
ENGLISH
PASSWORD
0000
ADVANCED MENU
PASSWORD
0000
PASSWORD
0000
PASSWORD
0000
incorrect code
correct code
OPERATION
PARAMETERS
IN/OUT SETUP
VARIOUS
EXIT
CHANGE
PASSWORD
STAND SETUP
STANDARD
NO STANDARD
INTERLOCK
MASTER
SLAVE
NO MEMORY
WITH MEMORY
EXIT
NEW PASSWORD
0000
NEW PASSWORD
0000
NEW PASSWORD
0000
NEW PASSWORD
0000
*
*
restores
standard
parameters
STANDARD
NO STANDARD
ON
OFF
*
ON
OFF
*
KIT ELASTIC.
*

Related product manuals