EasyManua.ls Logo

Fantech SHR 1504 - Interior Ducting Installation; General Ducting Tips and HRV Connection; Grille Placement and 5 th Port Ducting

Fantech SHR 1504
44 pages
Print Icon
To Next Page IconTo Next Page
To Next Page IconTo Next Page
To Previous Page IconTo Previous Page
To Previous Page IconTo Previous Page
Loading...
16
fantech
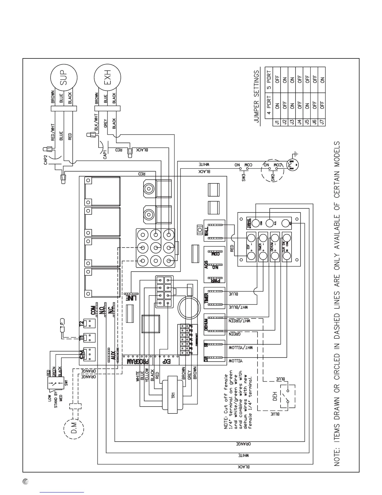
Electrical connections
SHR1504, 1505R, 2004, 2005R
VHR1404, 1505R, 2004, 2005R

Table of Contents

Other manuals for Fantech SHR 1504

Related product manuals