EasyManua.ls Logo

Fantech SHR 1504 - Installation Examples; Fully Dedicated System (New Construction)

Fantech SHR 1504
44 pages
Print Icon
To Next Page IconTo Next Page
To Next Page IconTo Next Page
To Previous Page IconTo Previous Page
To Previous Page IconTo Previous Page
Loading...
17
fantech
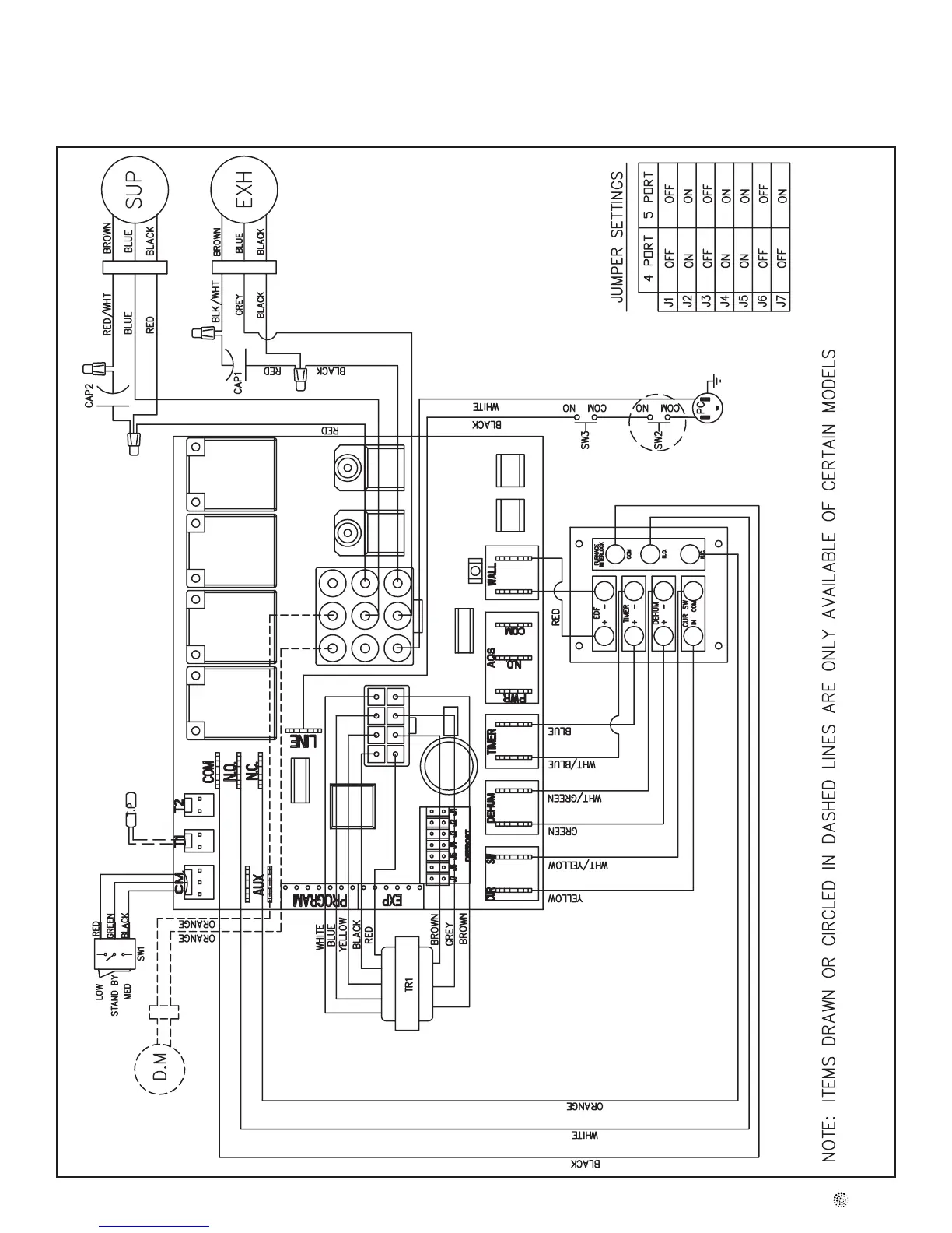
Electrical connections
SHR3005R

Table of Contents

Other manuals for Fantech SHR 1504

Related product manuals