EasyManua.ls Logo

Fantech SHR 1504 - HRV Integration with Furnace; Partially Dedicated System: Supply to Furnace Return

Fantech SHR 1504
44 pages
Print Icon
To Next Page IconTo Next Page
To Next Page IconTo Next Page
To Previous Page IconTo Previous Page
To Previous Page IconTo Previous Page
Loading...
18
fantech
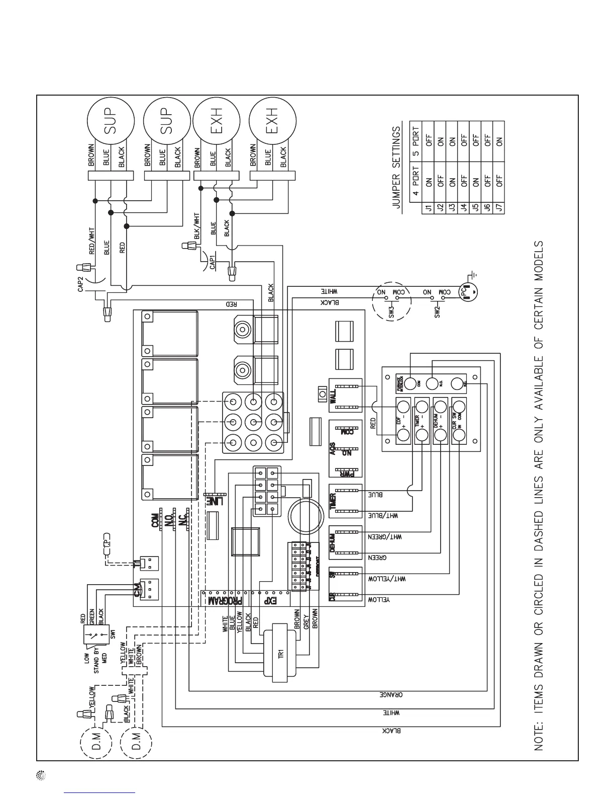
Electrical connections
SHR3205RD

Table of Contents

Other manuals for Fantech SHR 1504

Related product manuals