EasyManua.ls Logo

Fantech SHR 1504 - Schémas Électrique; Shr1504, 1505 R, 2004, 2005 R; Vhr1404, 1405 R, 2004, 2005 R

Fantech SHR 1504
44 pages
Print Icon
To Next Page IconTo Next Page
To Next Page IconTo Next Page
To Previous Page IconTo Previous Page
To Previous Page IconTo Previous Page
Loading...
38
fantech
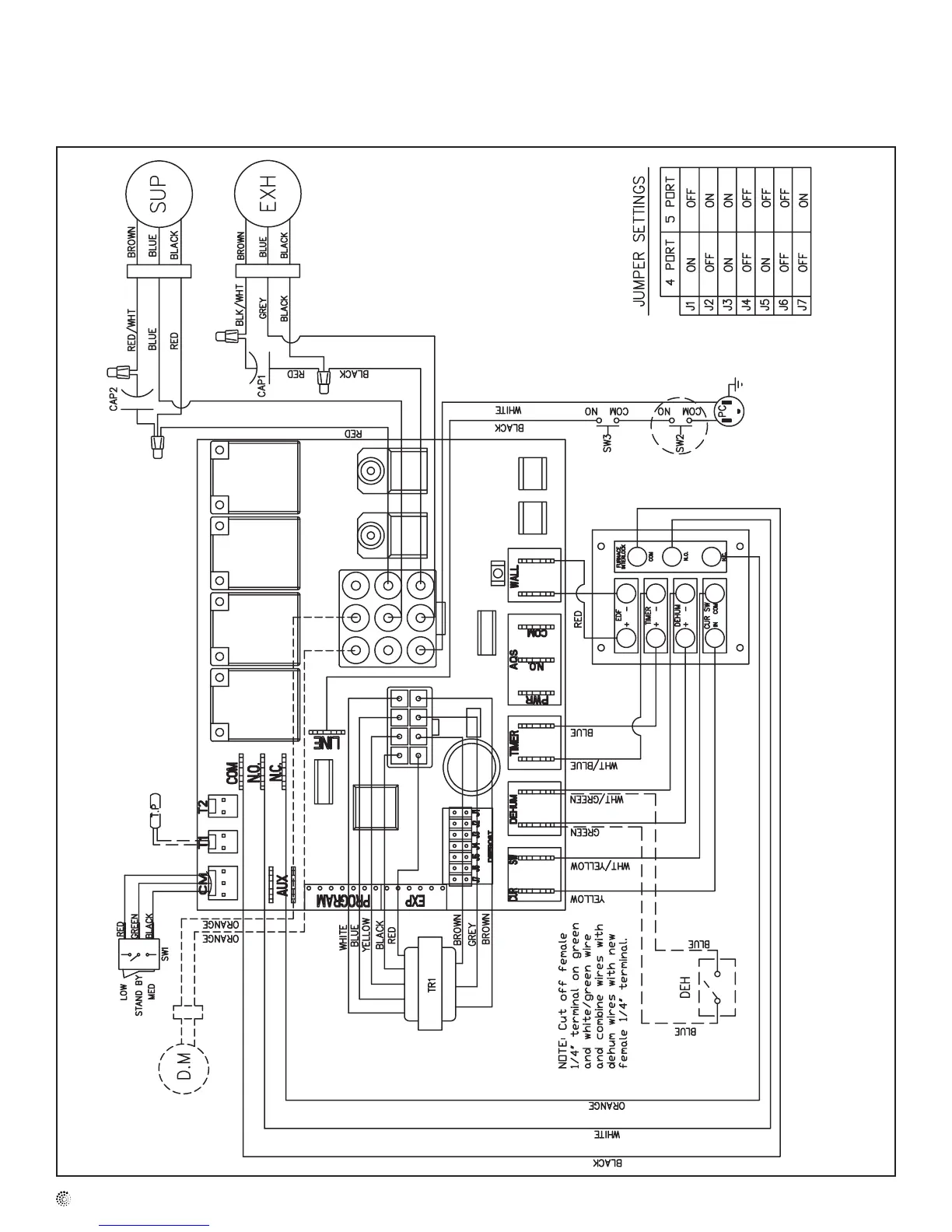
Schémas électrique
SHR1504, 1505R, 2004, 2005R
VHR1404, 1505R, 2004, 2005R
NOTE: ITEMS DESSINÉS OR ENCERCLÉS EN LIGNES POINTILLÉE SONT SEULEMENT DISPOINIBLE POUR CERTAINS MODÈLES

Table of Contents

Other manuals for Fantech SHR 1504

Related product manuals