EasyManua.ls Logo

Fantech SHR 1504 - Shr3205 Rd

Fantech SHR 1504
44 pages
Print Icon
To Next Page IconTo Next Page
To Next Page IconTo Next Page
To Previous Page IconTo Previous Page
To Previous Page IconTo Previous Page
Loading...
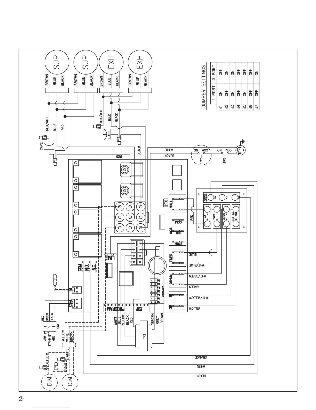
40
fantech
Schémas électrique
SHR3205RD
NOTE: ITEMS DESSINÉS OR ENCERCLÉS EN LIGNES POINTILLÉE SONT SEULEMENT DISPOINIBLE POUR CERTAINS MODÈLES

Table of Contents

Other manuals for Fantech SHR 1504

Related product manuals