EasyManua.ls Logo

Fantech SHR 1504 - Routine HRV Maintenance; Filter and Heat Recovery Core Maintenance; Unit, Fan, Drain, and Hood Checks

Fantech SHR 1504
44 pages
Print Icon
To Next Page IconTo Next Page
To Next Page IconTo Next Page
To Previous Page IconTo Previous Page
To Previous Page IconTo Previous Page
Loading...
6
fantech
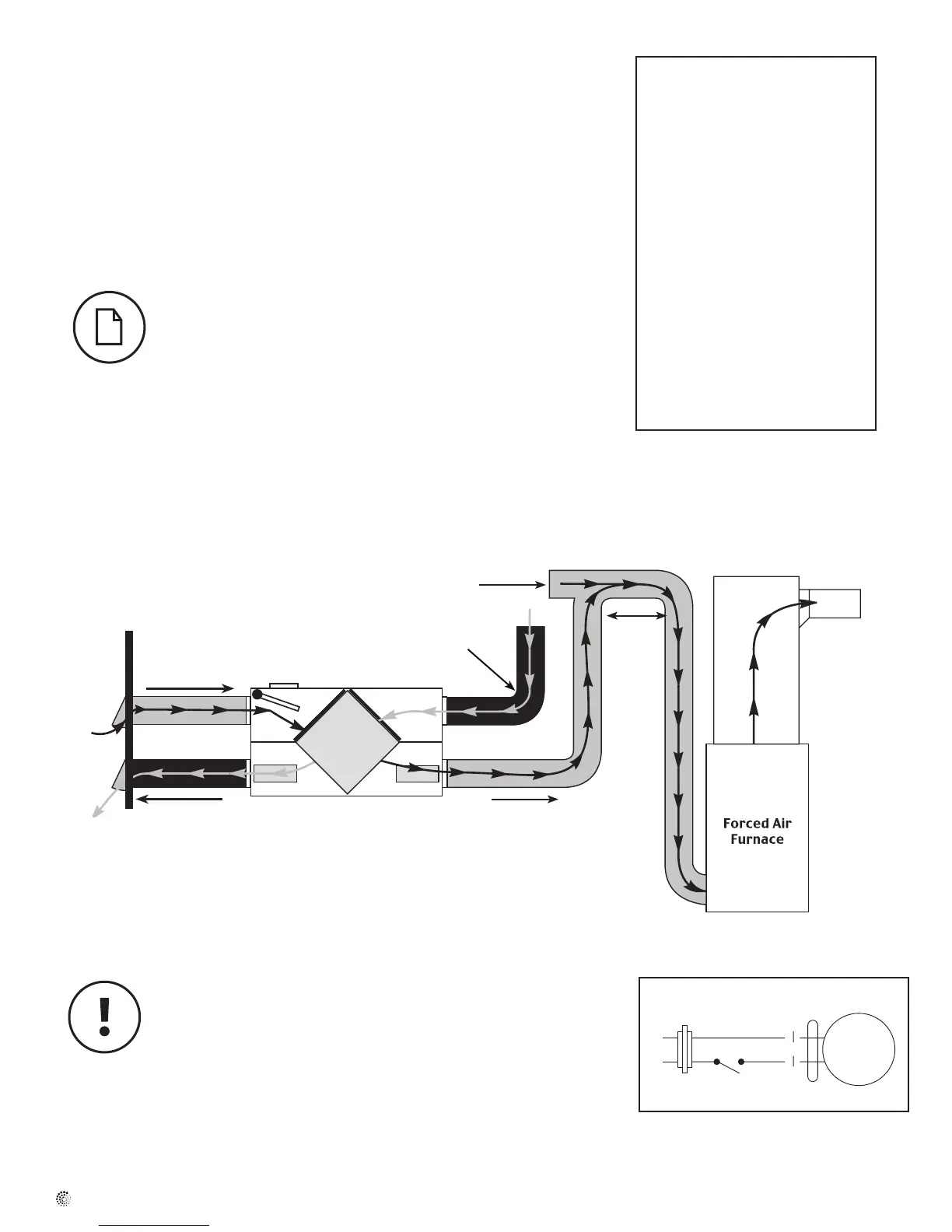
HRV/Furnace ducting for Partially Dedicated System
Air from inside
* Unit air flow should be balanced while HRV is on "Normal" speed and
furnace blower is running.
Air return
1 m (3' 3")
min.
recommended
Cold air
return
* Ductwork layout may dif-
fer depending on model
Installation examples (Cont'd)
DIRECT CONNECTION of the FRESH air to living area to the RETURN PLENUM
of the AIR HANDLER (Stale air drawn from key areas of home)
PARTIALLY DEDICATED SYSTEM (BETTER)
Suggested installation for:
Central furnace (air
handling unit or central
air conditioners)
When ducting fresh
air to living area is not
possible or practical,
i.e. expensive or when
the central AHU will
operate year-round.
Benets: Conditions the
fresh air prior to
distributing it throughout
the house
1. Furnace blower must operate when ventilation from HRV is required. The
furnace should be set to run continuously or interlocked with HRV
2. Stale air is drawn from key areas of the home (bathroom, kitchen, laundry
room).
3. Fresh air is supplied to the return air plenum of the furnace.
4. Due to the difference in pressure between the HRV and the equipment it
is being connected to the HRV’s airflow must be balanced on site, using
the procedure found in the section “AIRFLOW BALANCING”
Fantech heat recovery ventilators (HRV) that use a supply fan shutdown for frost preven-
tion do not include an outdoor air motorized damper. If you are using a simplied installa-
tion, i.e. connecting the HRV supply air duct to a furnace's return air duct, the HRV must
operate continuously. When the HRV is turned off, no warm exhaust air will ow through
the HRV but the furnace's fan will continue to draw in outdoor air directly into the furnace.
If it's cold outside, cold air will be introduced, without re-heating, directly into the furnace.
If the HRV is installed such that the homeowner may turn off the HRV during the winter, we
recommend installing a motorized damper between the HRV's supply air and the furnace's
return air duct that closes when the HRV is not operating. See wiring diagram (gure 1).
You may also choose to use a Fantech HRV that uses a recirculation defrost that incorpo-
rates an outdoor air damper.
Damper
Motor
24 VAC Transformer
COM
NO
HRV Furnace interlock
See page 17.
24V
120V
Figure 1
*Transformer and Damper motor not included
Stale air to
outside
Fresh air from
outside
Fresh air to
living areas

Table of Contents

Other manuals for Fantech SHR 1504

Related product manuals