EasyManua.ls Logo

Fermax 2409 - Ads - P8

Fermax 2409
115 pages
Print Icon
To Next Page IconTo Next Page
To Next Page IconTo Next Page
To Previous Page IconTo Previous Page
To Previous Page IconTo Previous Page
Loading...
Pag. 88
Technical Book
MDS-ADS
MDS-ADS
ADS - P8
ADS-P8
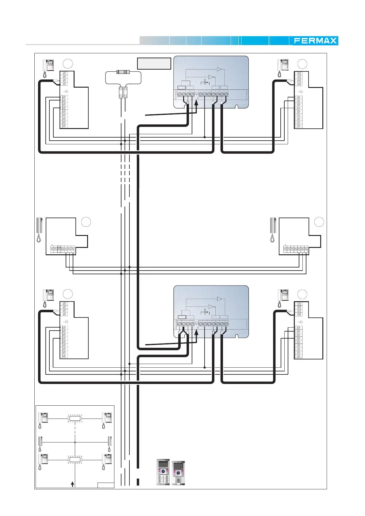
2 OUTPUTS VIDEO DISTRIBUTOR
DISTRIBUIDOR VIDEO 2 SALIDAS
V
5
V
1
M
+18
75
M
R1
34
+
V
2
REF.2448
6
VM M
(-)
2 OUTPUTS VIDEO DISTRIBUTOR
DISTRIBUIDOR VIDEO 2 SALIDAS
V
5
V
1
M
+18
75
M
R1
34
+
V
2
REF.2448
6
VM M
(-)
2
V
-A
T
LE
T
L
-
+
+A
Ct
M
V
M
L
+
1
V
LE
T
T
-A
+
L
-
Ct
+A
M
V
M
106CI08D
106CI08D
T
LE
T
-A
+
-
L
+A
Ct
106CI08D
V
V
M
M
8
+A
T
T
-A
LE
-
L
+
Ct
106CI08D
7
V
V
M
M
-
-
L
+
COAX
4
-
T
-A
T
+A
+
L
106CI06E
3
+A
TT
-A
L
- +
106CI06E
HIGH PERFORMANCE
MULTIPLEXED DIGITAL SYSTEM
STOP
123
456
789
A0
HIGH RESOLUTION
CCD CAMERA
PAN &TILT
1
2
HIGH RESOLUTION
FLAT MONITOR
1
2
HIGH RESOLUTION
FLAT MONITOR
1
2
HIGH RESOLUTION
FLAT MONITOR
1
2
HIGH RESOLUTION
FLAT MONITOR
ADS-P8
1
2
HIGH RESOLUTION
FLAT MONITOR
REF. 2448
1
2
HIGH RESOLUTION
FLAT MONITOR
1
2
HIGH RESOLUTION
FLAT MONITOR
REF. 2448
1
2
HIGH RESOLUTION
FLAT MONITOR
+
L
10 Kohm
* NOTE: It is neccessary to put a
10 Kohm resistor between
terminals + and L at the end of
this branch. The panel is supplied
with a plastic bag including 5
resistors.
(*) SEE NOTE
TO THE ADS PANEL/PANELS
OR DISTRIBUTOR
DIAGRAM
FIRST FLOOR
SECOND FLOOR
LAST FLOOR
CUT
RESISTOR
DON'T CUT
RESISTOR
NOTE: A DEFECTIVE CONNECTION OF THE SHIELD MAY
CAUSE THE SYSTEM DO NOT WORK PROPERLY.

Table of Contents

Related product manuals