EasyManua.ls Logo

Fermax 60305 - Page 16

Fermax 60305
Print Icon
To Next Page IconTo Next Page
To Next Page IconTo Next Page
To Previous Page IconTo Previous Page
To Previous Page IconTo Previous Page
Loading...
Pag 16
KIT
VIDEOPORTERO DIGITAL 5 HILOS
VIDEOPORTERO DIGITAL 5 HILOS
+
-
L
Vi+
Vi-
CT
+-
V+ V-
..........
..........
....
....
-+-+
HIGH PERFORMANCE
MULTIPLEXED DIGITAL SYSTEM
STOP
Vac
Vo-
+A
-A
CT
-
+
L
Vi-
Vi+
106CI08C
J1 PRG
Vo+
CN2
1
2
HIGH RESOLUTION
FLAT MONITOR
10 Kohm
-
-+
L
RTB
TFLNLN TFNONC CDDPRGUSE PWR
REF. 1088
REF. 8980
12 Vac - 1A
PRIM
SEC. 12Vac
Vac
Ct
L
B
S
EXT.
INT.
C
B
No
+-
+12
Nc
JP2
12 Vdc
PLACA
TELEFONO
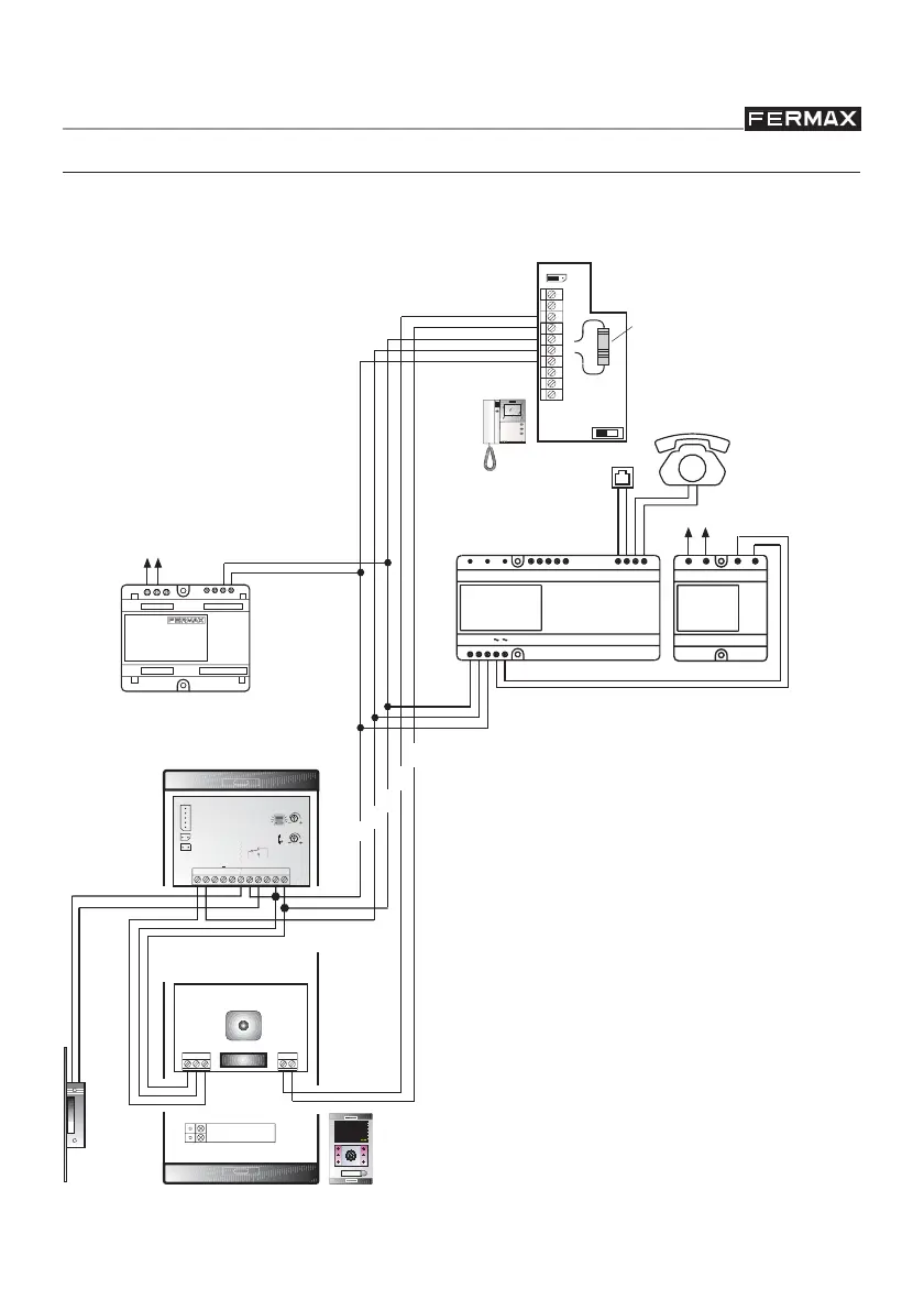
Instalación del Interface Telefónico ADS
El Interface telefónico proporciona servicio de intercomunicación de portero electró-
nico a la vivienda, haciendo uso de la instalación telefónica de la propia vivienda y de
los aparatos telefónicos que haya en ella. Para más información solicite nuestro
manual.
AMPLIFICADOR
KIT ADS
CAMARA
INTERFACE
TELEFONICO
ADS
ALIMENTADOR
Es necesario colocar una
resistencia de 10 Kohm entre
los bornes + y L del monitor. Con
el kit se incluye una bolsa con 5
resistencias.
NOTA: El alimentador puede situarse en un punto intermedio de la instalación. Distancia
máxima a la placa: 30 metros.
ALIMENTADOR

Related product manuals