EasyManua.ls Logo

Fermax 60305 - Page 17

Fermax 60305
Print Icon
To Next Page IconTo Next Page
To Next Page IconTo Next Page
To Previous Page IconTo Previous Page
To Previous Page IconTo Previous Page
Loading...
Pag 17
KIT
VIDEOPORTERO DIGITAL 5 HILOS
VIDEOPORTERO DIGITAL 5 HILOS
S+LV+V- +L
V+ V-
V-V+
L+
VoViVS
SALIDA VIDEO
VIDEO OUTPUT
VIDEO EXTERIOR
EXTERNAL VIDEO
PANEL VIDEO
VIDEO PLACA
+
L
L
+
-
CT
+ -
V+
+
-
L
-
L
-
+
-
+
L
..........
..........
....
....
S
V-
Vi+
Vi-
V+
V-
V+
V-
V+
V-
CT
+-
V+ V-
..........
..........
....
....
REF. 8810
CAMBIADOR DE VIDEO VISION 5
VISION 5 WIRES SWITCHER
HIGH PERFORMANCE
MULTIPLEXED DIGITAL SYSTEM
STOP
HIGH PERFORMANCE
MULTIPLEXED DIGITAL SYSTEM
STOP
Vac
-+-+
1
2
HIGH RESOLUTION
FLAT MONITOR
10 Kohm
PRG
L
+
Vi-
Vi+
Vo+
Vo-
CN2
-A
+A
CT
-
C1
C2
J1
R6
C7
Ct
L
B
S
EXT.
INT.
C
B
No
+-
+12
Nc
JP2
Ct
L
B
S
EXT.
INT.
C
B
No
+-
+12
Nc
JP2
JP2
JP2
12 Vdc 12 Vdc
PLACA
TELEFONO
PLACA
TELEFONO
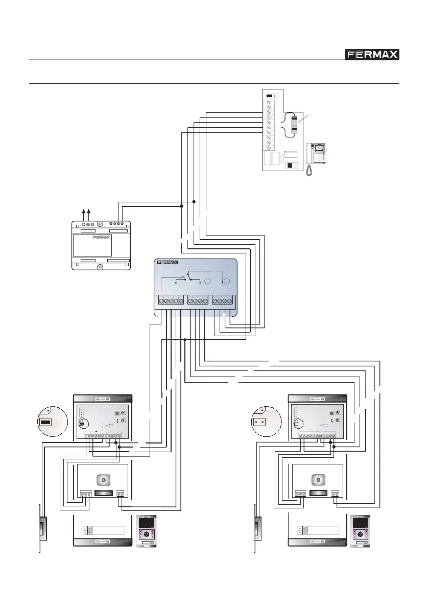
Instalación de una 2ª Placa de Videoportero
AMPLIFICADOR
KIT ADS
AMPLIFICADOR
KIT ADS
CAMARA
CAMARA
Es necesario colocar una resistencia de
10 Kohm entre los bornes + y L del
monitor. Con el kit se incluye una bolsa
con 5 resistencias.
NOTA: El alimentador puede situarse en un punto intermedio de la instalación. Distancia
máxima a la placa: 30 metros.
ALIMENTADOR

Related product manuals