EasyManua.ls Logo

ferrotec CARRERA - 2.2 Intended Use

ferrotec CARRERA
57 pages
Print Icon
To Next Page IconTo Next Page
To Next Page IconTo Next Page
To Previous Page IconTo Previous Page
To Previous Page IconTo Previous Page
Loading...
Version 1.3_15 EN
6
High Voltage Power Supply
Type: CARRERA
2 Overview and Intended Use
2.1 Overview CARRERA-System
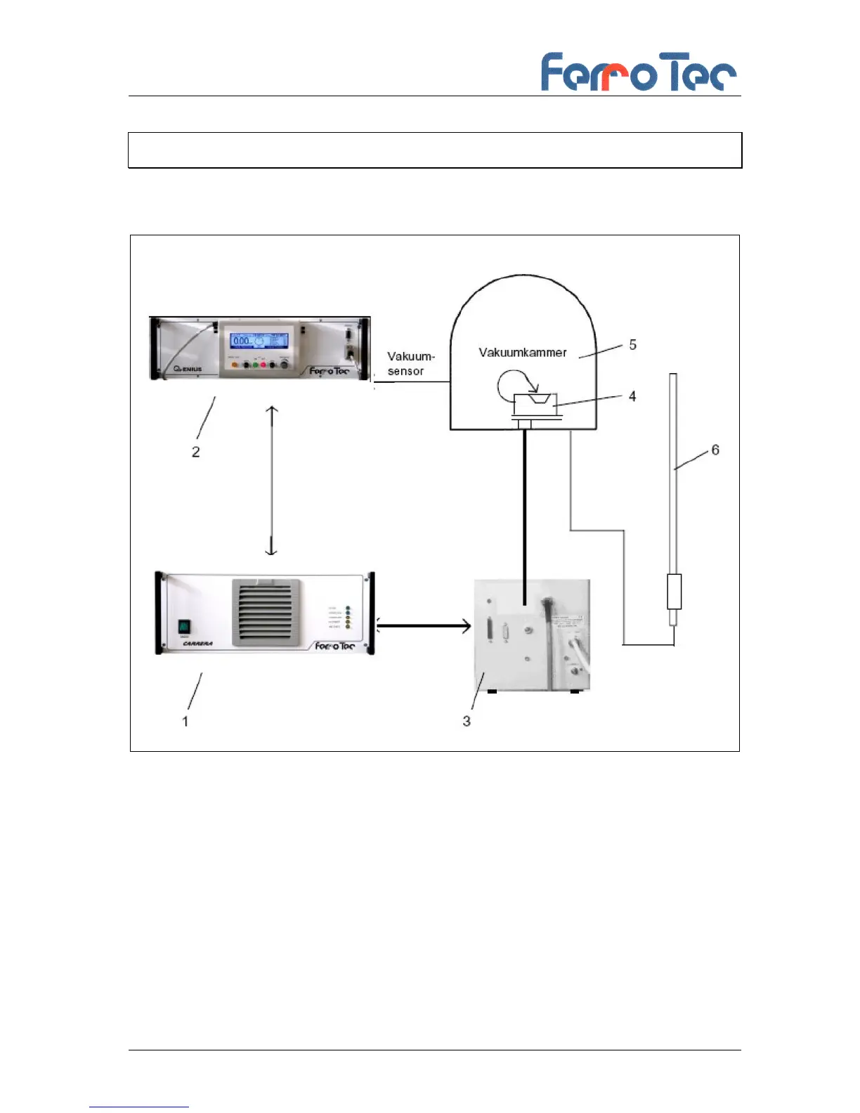
Fig. 1 Overview CARRERA system
The complete evaporator package consist of the following:
1 High voltage power supply HVP
2 Electron beam evaporator controler GENIUS with hand
remote control
3 Filament power supply (FPS)
4 Electron beam evaporator
5 Vacuum chamber
6 Grounding rod

Related product manuals