EasyManua.ls Logo

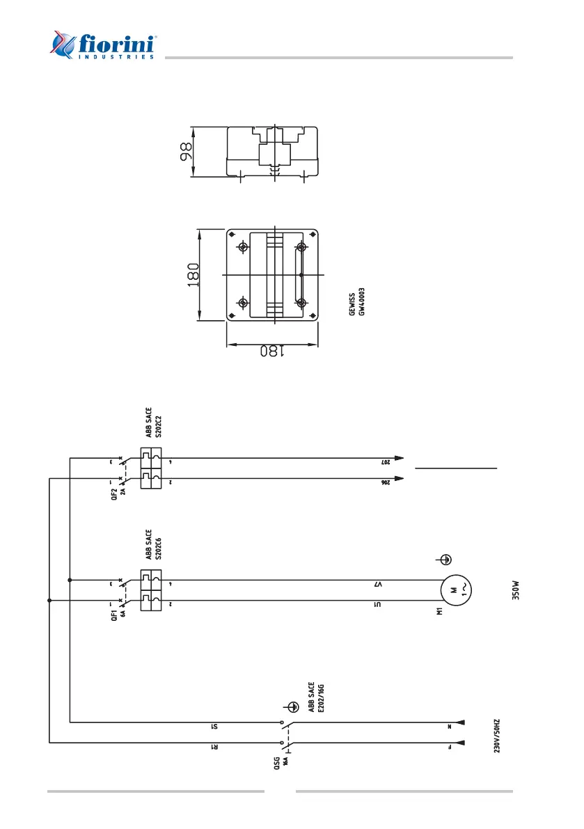
fiorini SET PLUS 2.0 - 25 - Schema Elettrico Quadro DI Potenza; Power Board Wiring Diagram

fiorini SET PLUS 2.0 - 25
42 pages
Print Icon
To Next Page IconTo Next Page
To Next Page IconTo Next Page
To Previous Page IconTo Previous Page
To Previous Page IconTo Previous Page
Loading...
40
SET PLUS 2.0 - SET 2.0
LINEA ALIM.
POWER LINE
ALIMENTAZIONE
POMPA PRIMARIO
PRIMARY PUMP
POWER SUPPLY
ALIMENTAZIONE
CENTRALIN
A FWC5
FWC5 CONTROLLER
POWER SUPPL
Y
Schema elettrico quadro di potenza Power board wiring diagram

Table of Contents