EasyManua.ls Logo

Flow 94K HYPERPRESSURE - Page 58

Default Icon
82 pages
Print Icon
To Next Page IconTo Next Page
To Next Page IconTo Next Page
To Previous Page IconTo Previous Page
To Previous Page IconTo Previous Page
Loading...
Center and hold the tie rods in place while installing
the washers and nuts onto the tie rods. Secure the
nuts hand tight.
42. Insert the second fixture plate screw (the long-block
intensifier has a pair) into the second end bell.
Tighten both sets of fixture plate screws to 30 ft-lb
(41 N-m). The screws must hold the end bells tight
against the fixture to prevent any misalignment.
Retighten the tie rod nuts to 20 ft-lb (27 N-m) to
keep the end bells seated.
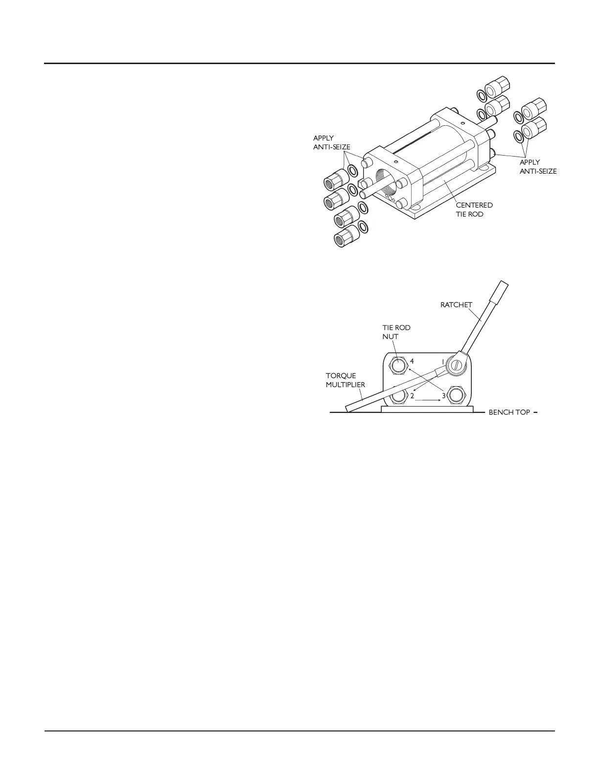
43. Tighten the tie rod nuts at one end of the tie rods
only, while restraining the nuts on the other end us
-
ing a suitable wrench, moving from one nut to the
next in a figure-8 pattern (shown on this page).
Note: You must follow this torque pattern (1-2-3-4).
Correctly moving from nut 2 to nut 3 crosses the
LONG dimension of the rectangular end bell. DO
NOT substitute with the pattern 1-2-4-3.
Using the torque wrench (and the torque multiplier
when necessary), tighten the nuts not more than
¼ turn at a time, following the figure-8 sequence.
Notes for using a torque multiplier
When using a torque multiplier, the torque wrench
setting must be calculated as follows:
TORQUE WRENCH SETTING =
REQUIRED NUT TORQUE
¸
ACTUAL MULTIPLIER RATIO
The actual multiplier ratio must be obtained from the
multiplier tool instructions. Beware that a tool may
be named with an implied multiplication ratio that is
not the actual ratio (for instance, a tool named X4
that has an actual multiplication ratio of 3.86 to 1).
Example: To obtain the 400 ft-lb nut torque using a
multiplier with a multiplication ratio of 3.92 to 1 will
require a torque wrench setting of:
TORQUE WRENCH SETTING =
400 FT-LB
¸
3.92 = 102 FT-LB
Torque all four nuts at one end to 200 ft-lb
(271 N-m), then 400 ft-lb (542 N-m), then 535 ft-lb
(725 N-m).
58 | M-376 © Flow International Corporation
94K HYPERPRESSURE INTENSIFIER

Table of Contents

Related product manuals