EasyManua.ls Logo

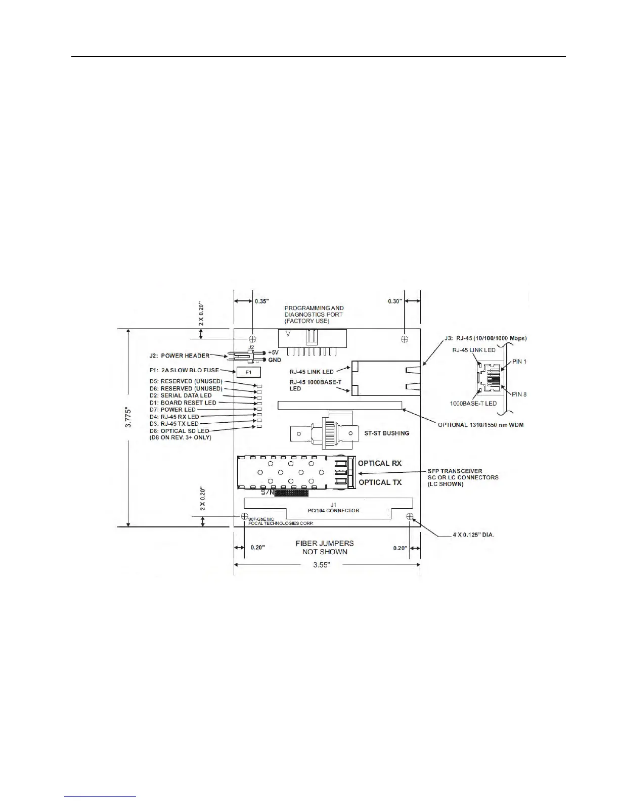
Focal 907 - 907-GBE (Gigabit Ethernet); Figure 4-6: 907-GBE Media Converter Card

Focal 907
71 pages
Print Icon
To Next Page IconTo Next Page
To Next Page IconTo Next Page
To Previous Page IconTo Previous Page
To Previous Page IconTo Previous Page
Loading...
907-0601-00 Rev. C Model 907 Video/Data Multiplexer – User’s Guide
Focal Technologies Corp. Page 4-6
4.5 907-GBE (Gigabit Ethernet)
Card P/N
907-0021-XX
Config. Dwg.
907-2023-00
Diagnostics:
LEDs Only
The 907-GBE (Gigabit Ethernet) media converter shown in Figure 4-6 is used to convert a single channel of
10/100/1000 Mbps Ethernet data into optical format at the remote end and vice-versa at the console end.
Regardless of the input data rate, the optical link always runs at 1000 Mbps (1250 Mbaud). This “switchless
media converter supports jumbo frames and non-standard frames often used by multibeam sonars
(e.g. Reson 7125) and other proprietary data links.
Auto-negotiation is supported, but can be bypassed if connecting to another device which does not support
auto-negotiation. MDI/MDX crossover handling is also supported on the RJ-45 port. The physical layer
interface also minimizes latency.
The 907-GBE cards are available in pressure tolerant versions with a 6000 psi rating.
Figure 4-6: 907-GBE Media Converter Card

Table of Contents