EasyManua.ls Logo

Frecon PV100-2S-2.2B - Automatic Switch between Grid and Solar Power Wiring

Default Icon
49 pages
Print Icon
To Next Page IconTo Next Page
To Next Page IconTo Next Page
To Previous Page IconTo Previous Page
To Previous Page IconTo Previous Page
Loading...
PV series Solar Pumping Inverter
- 44 -
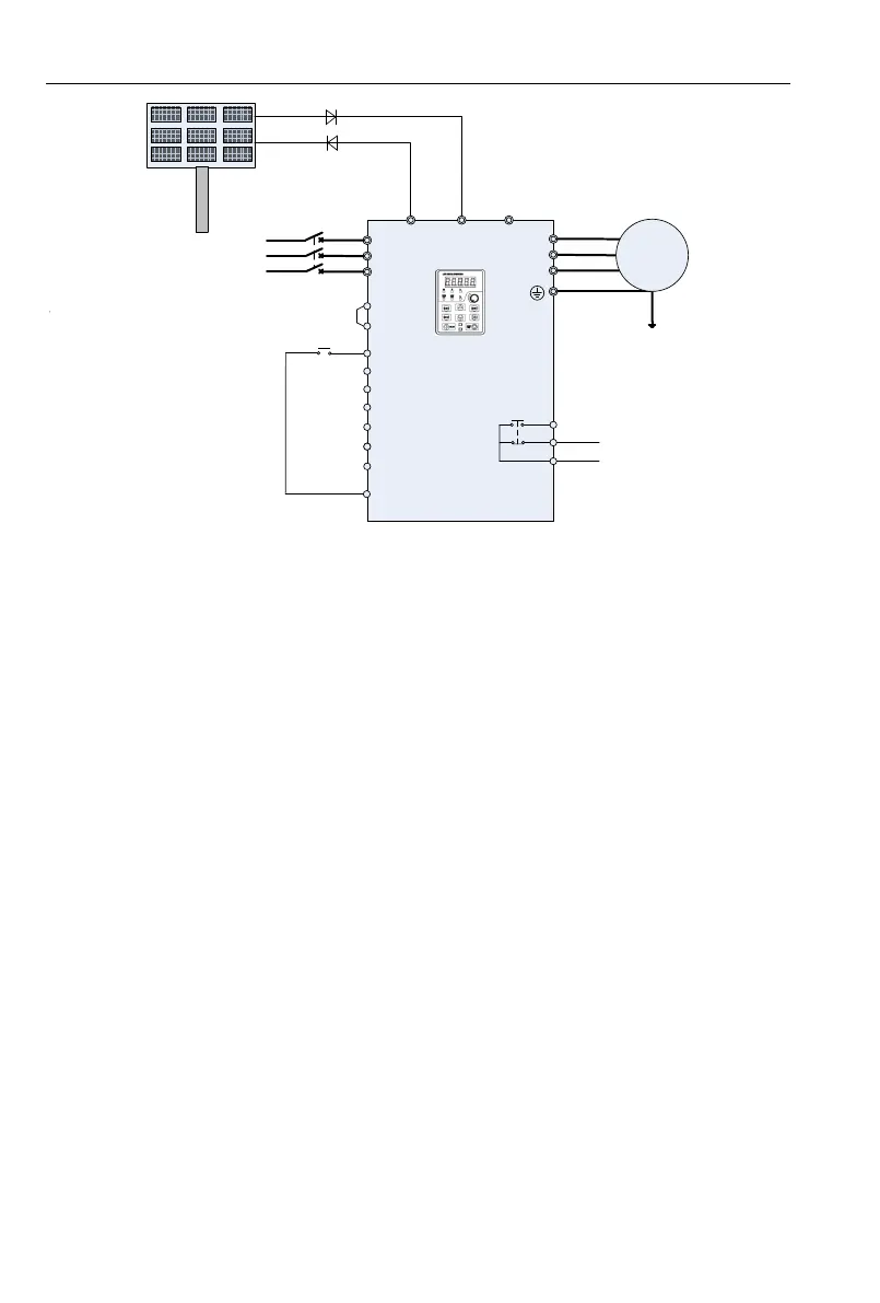
+24V
DI1
DI2
DI3
DI4
DI5
DI6
R1A
R1B
R1C
(-) (+) PB
PV200
PLC
DI7/HI
PV panels
KM1
R
S
T
U
V
W
M
COM
Run
KM1
Grid
Figure 3-2Automatic switch between grid and solar power wiring

Table of Contents

Related product manuals