EasyManua.ls Logo

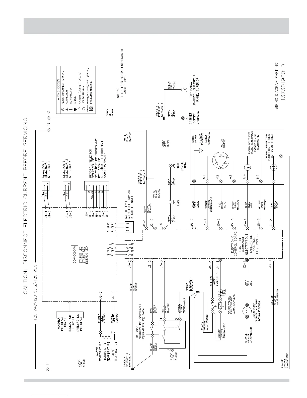
Frigidaire FAHE4044MW0 - Rotary Control Wiring Diagram

Frigidaire FAHE4044MW0
72 pages
Print Icon
To Next Page IconTo Next Page
To Next Page IconTo Next Page
To Previous Page IconTo Previous Page
To Previous Page IconTo Previous Page
Loading...
61
SECTION 6 - ROTARY KNOB WASHER TECHNICAL DATA
Wiring Diagram
6 - 9

Table of Contents

Other manuals for Frigidaire FAHE4044MW0

Related product manuals