EasyManua.ls Logo

Fromm TP-601D1 - Page 51

Fromm TP-601D1
149 pages
Print Icon
To Next Page IconTo Next Page
To Next Page IconTo Next Page
To Previous Page IconTo Previous Page
To Previous Page IconTo Previous Page
Loading...
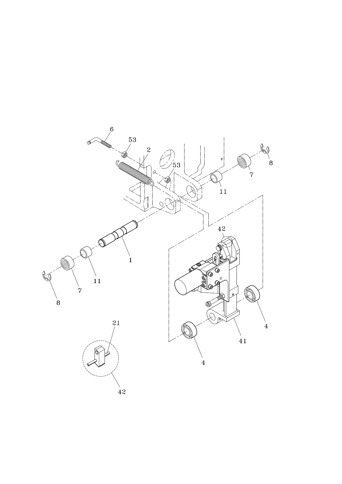
TENSION GROUP
-19-
1-6 T6-1-60003
01/10/08

Related product manuals