EasyManua.ls Logo

Frymaster BIH52 Series - Page 55

Frymaster BIH52 Series
115 pages
Print Icon
To Next Page IconTo Next Page
To Next Page IconTo Next Page
To Previous Page IconTo Previous Page
To Previous Page IconTo Previous Page
Loading...
3-38
K3
HEAT &
BLOWER
RELAY
AIR
OPTIONAL
AIR
SWITCH
BLOWER
H
I
LIMI
T
12V
24V
TEM
P
PROB
E
24V
LED 3
LED 5
R-GV
R HEAT
LED 4
R
PWR
V1S
ALARM
LED 6
12V
L HEAT
LED 2
L
PWR
ALARM
V2S
POWER
ON/OFF
TROUBLE
HEAT
T
J
3
62
1
29
1
185431
J
2
1
1
1
1
4
4
1
3
1
3
1
4
1
4
1
0
1
0
5
5
3
3
1
1
2
2
G
V
RIGHT IGNITION
MODULE
ALARM
TD
VALV
E
GND
BNR
GND
RIGHT
IGNITOR
LEFT IGNITION
MODULE
25V+
ALARM
TD
VALVE
GND
LEFT
IGNITOR
S
D
M
LINE VOLTAGE
GND
BNR
DRAIN SAFETY
SWITCH
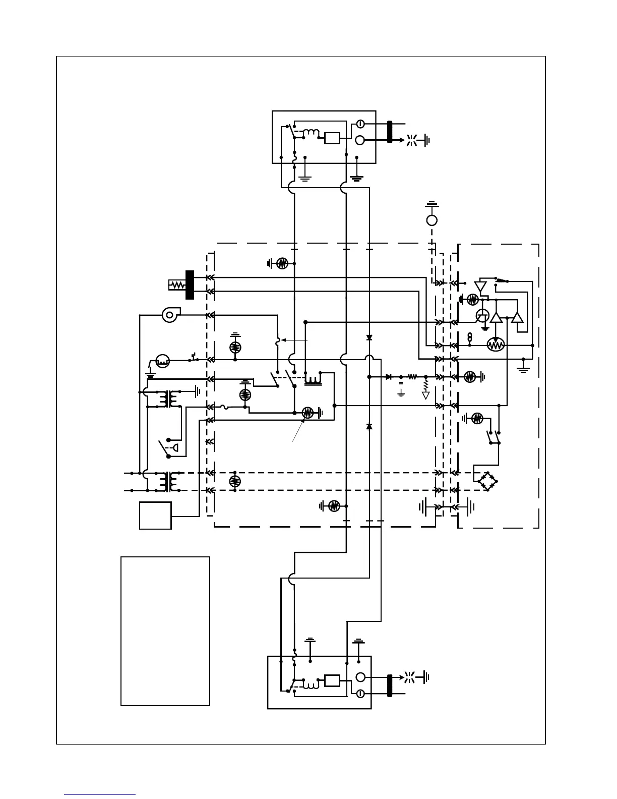
H52 SERIES— FULL-VAT— BEFORE JUNE 1996 & AFTER JULY 1999
(ONE DUAL FUNCTION HEAT/BLOWER RELAY (K3) AND TWO IGNITION MODULES)
HV
HV
1/50
A
47K
1K
F1
F1 Fuse not
present on
fryers
manufactured
before 6/96
DRAIN SAFETY SWITCH
ONLY ON BIH52 MODELS
AIR SWITCH
ONLY ON CE AND SOME
EXPORT UNITS
AIR LED not
applicable to fryers
manufactured
before 6/96
25V+
HOOD
RELAY
FUSE

Table of Contents

Related product manuals