EasyManua.ls Logo

Gardner Denver AUTO SENTRY EAU99G - Figure 1-5 - Package - Oil Filter, Oil Level Gauge, Mixing Valve; Figure 1-6 - Package - Air;Oil Flow Diagram

Gardner Denver AUTO SENTRY EAU99G
75 pages
Print Icon
To Next Page IconTo Next Page
To Next Page IconTo Next Page
To Previous Page IconTo Previous Page
To Previous Page IconTo Previous Page
Loading...
13-10-614 Page 5
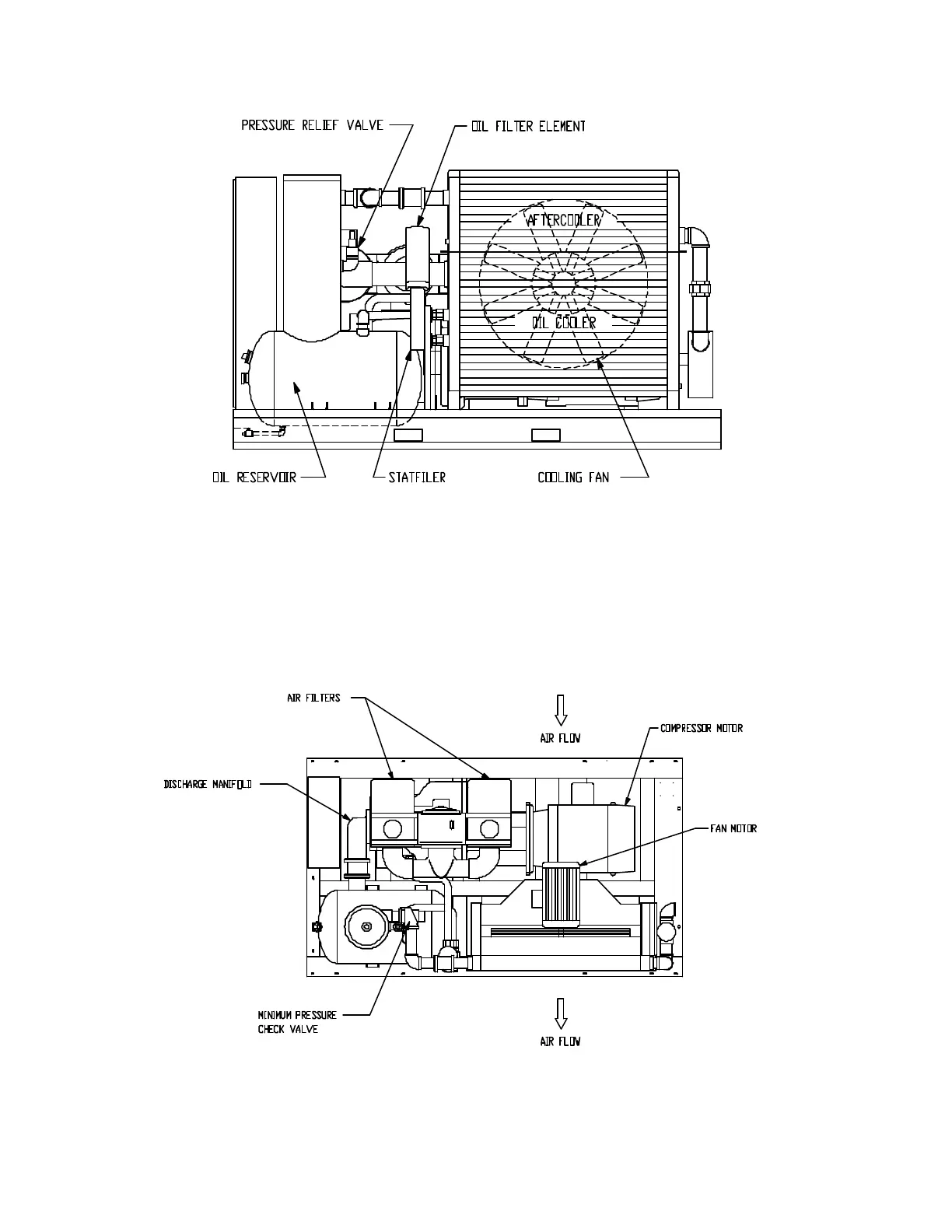
Figure 1-5 – PACKAGE – OIL FILTER, OIL LEVEL GAUGE, MIXING VALVE
MINIMUM PRESSURE VALVE & CHECK VALVE
Figure 1-6 – PACKAGE – AIR/OIL FLOW DIAGRAM
201EAU797
(Ref. Drawing)

Table of Contents

Related product manuals