EasyManua.ls Logo

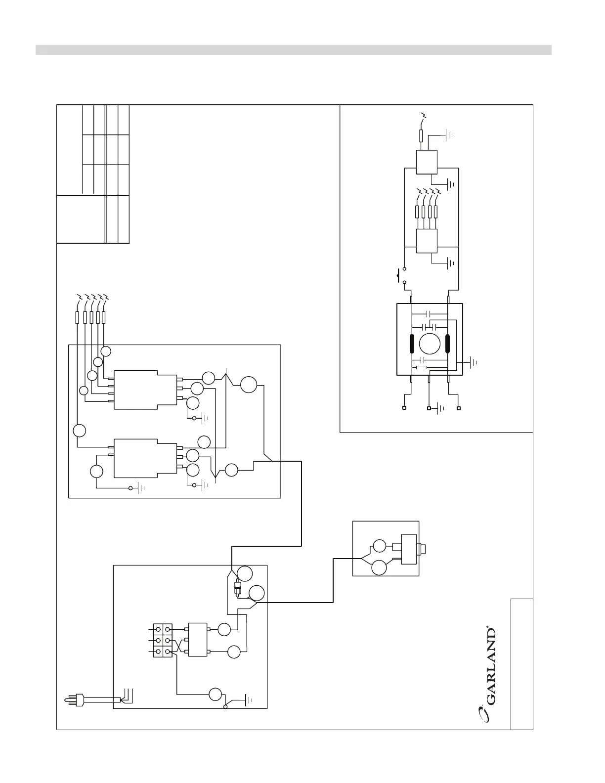
Garland ST286-E - Wiring Diagrams; Sentry Electric Spark Wiring Diagram

Garland ST286-E
76 pages
Print Icon
To Next Page IconTo Next Page
To Next Page IconTo Next Page
To Previous Page IconTo Previous Page
To Previous Page IconTo Previous Page
Loading...
Part # 1382683 (01/08)Page 28
WIRING DIAGRAMS
16GA TEW
(BLK, GRN, RED)
1/4 FEMALE / STRIP 3/8
MODEL
NOMINAL AMPS
(E)GND N L1
GREEN (GND)
BLACK (L1)
WHITE (N)
120V ONLY
(L2)
L1
N(L2)
GND
SCHEMATIC DIAGRAM
SPARK GENERATORS
SWITCH BOX
SPARK ELECTRODES
MOMENTARY SWITCH
GROUND UNUSED
TERMINALS
GROUND UNUSED
TERMINALS
2 x 0.1uf(X2)
2 x 2200pf(Y)
EMI FILTER
2 x 2.0mh
230 VOLT MODELS ONLY
(L2)
MODELS
EMI FILTER
230V
LOAD
LINE
GND
N
(E)
L1
2
NE
3
L
12
NE
3
L
1
0.050.050.1
MISSISSAUGA, ONTARIO, CANADA
COMMERCIAL RANGES LIMITED
SENTRY ELECTRIC SPARK
MODEL
25b
2
1
25a
16
1
2
26
27
28
29
30
30
31
31
25a
25b
3535
27
26
ST28_ E
230V208V
120V
DRAWN APR/17 2006
2444200
:
DWG

Table of Contents

Related product manuals