EasyManua.ls Logo

Garland ST286-E - Page 32

Garland ST286-E
76 pages
Print Icon
To Next Page IconTo Next Page
To Next Page IconTo Next Page
To Previous Page IconTo Previous Page
To Previous Page IconTo Previous Page
Loading...
Part # 1382683 (01/08)Page 32
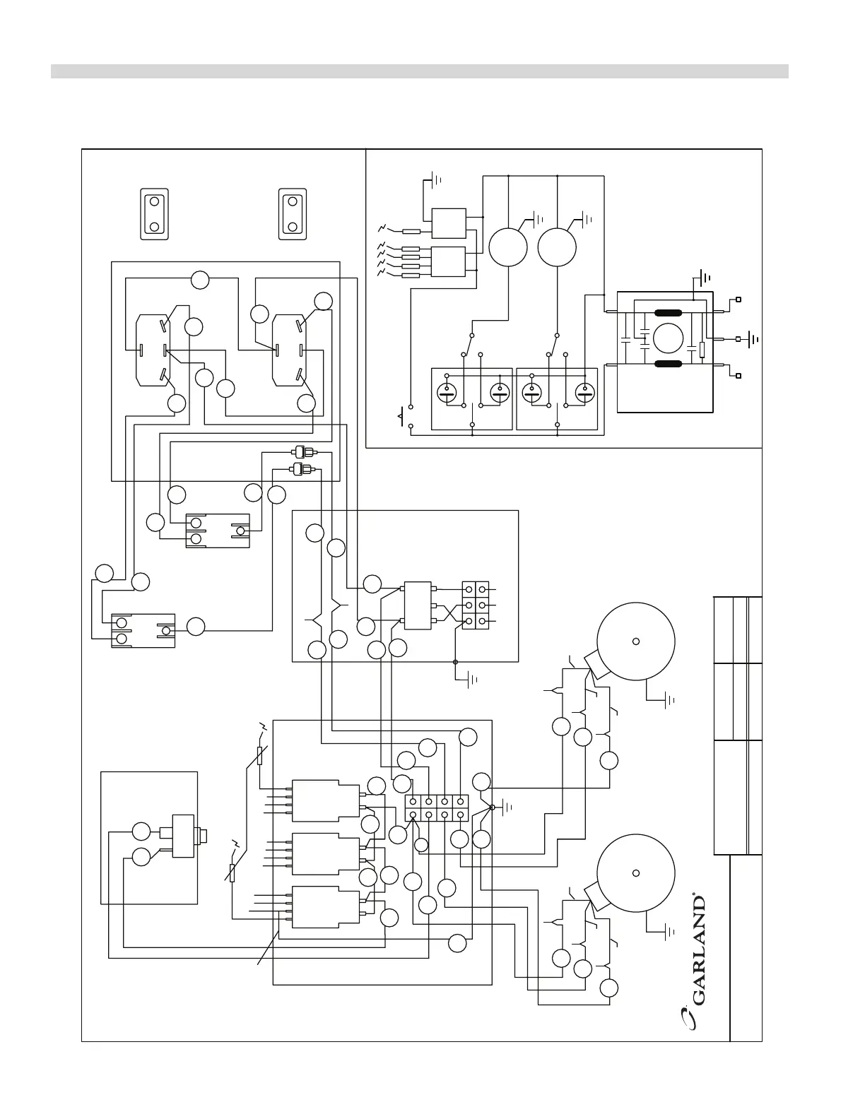
WIRING DIAGRAMS Continued
TOTAL LOADING
NOMINAL AMPS
KW (h.p.)
MODEL
(E)GND N L1
(L2)
SWITCHES CONNECTION SIDE
GREEN
MOTOR
BLACK
WHITE
BLACK
GREEN
MOTOR
WHITE
MOMENTARY SWITCH
N
TERMINALS
GROUND UNUSED
L
SPARK ELECTRODES
NLNL
TERMINALS
GROUND UNUSED
SCHEMATIC
DOOR CLOSED
SWITCH POSITION
M~
230 VOLT MODELS ONLY
GND
N(L2)
EMI FILTER
L1
2 x 2.0mh
2 x 2200pf(Y)
2 x 0.1uf(X2)
COOL
OFF
COOK
COOK
COOL
OFF
NC
COM
NO
COM
NO
NC
M~
(BLK, GRN, RED)
FILTER
SOLDER TO
GND
LOAD
N
(L2)
(E)
LINE
L1
16GA TEW
LEFT OVEN
RIGHT OVEN
L1
N(L2)
VIEWED FROM
FRONT
SWITCHES
BLUE
COOL
AMBER
COOK
OFF
BLUE
COOK
AMBER
COOL
OFF
RIGHT OVEN
LEFT OVEN
RIGHT OVEN
LEFT OVEN
BLACK
BLACK
BROWN
BLUE
BLUE
BROWN
(BROWN) (BROWN)
(BLUE) (BLUE)
(2/3)
3.6
0.83
S & STE 283,284RC-2MODEL
16
24 25
17
20
2
1
1
2
6
5
8
7
11
10
12
9
8
7
10
11
21 22
23 3
4
3
30
29
4
14
15
13
16
20
19
26
18
17
21
19 18
24 25
29
30
28
27
12
S/STE28_ RC2 230V
230V 230V
GARLAND COMMERCIAL RANGES LIMITED
MISSISSAUGA, ONTARIO, CANADA
DRAWN APR/17 2006
2574000
NO
C
0
12
NC
NC NO
0
1
C
2
:
DWG

Table of Contents

Related product manuals