EasyManua.ls Logo

Garland ST286-E - Page 41

Garland ST286-E
76 pages
Print Icon
To Next Page IconTo Next Page
To Next Page IconTo Next Page
To Previous Page IconTo Previous Page
To Previous Page IconTo Previous Page
Loading...
Pièce n° 1382683 (01/08) Page 36
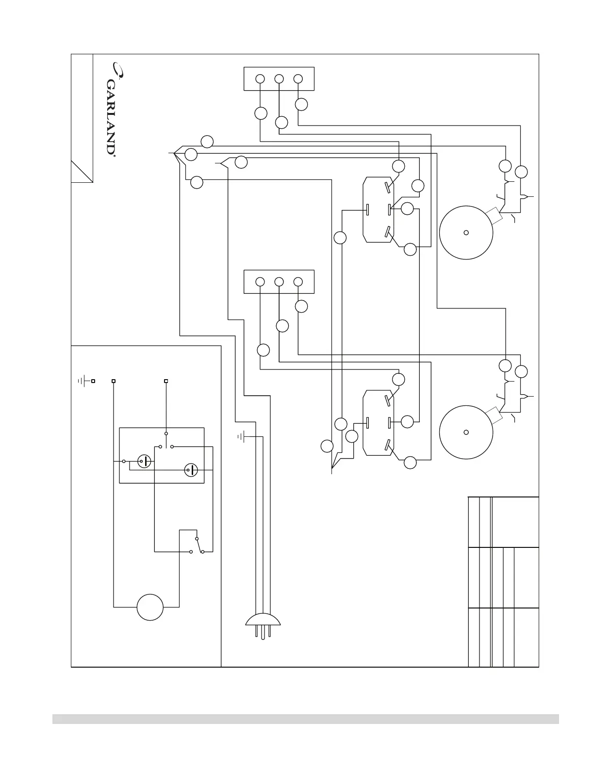
MODEL
TOTAL LOADING
NOMINAL AMPS
KW (h.p.)
BLACK
WHITE
M~
L1
N
E
COOK
COOL
OFF
NO
NC
SWITCH POSITION
DOOR CLOSED
COM
SCHEMATIC - ONE OVEN SHOWN
MOTOR
DOOR SWITCH
COOK/COOL SWITCH
COMMON
NORMALLY OPEN
NORMALLY CLOSED
BLACK
WHITE
GREEN, GROUND
WHITE
BLACK
MOTOR
DOOR SWITCH
NORMALLY OPEN
NORMALLY CLOSED
COMMON
COOK/COOL SWITCH
WHITE
BLACK
(2/3)
0.8 6.8
MISSISSAUGA, ONTARIO, CANADA
COMMERCIAL RANGES LIMITED
120 VOLTS, 6.8 AMPS, 1 PHASE
MODEL
15
16
26
29
25
28
32
H280 RC2
26
27
31
14
25
13
15 27
28
29
16
30
30
31
14
13
11
11
H280 RC2
120V
120V
DRAWN APR/17 2006
4521470
:
DWG
SCHÉMAS DE CÂBLAGE suit

Table of Contents

Related product manuals