EasyManua.ls Logo

Garland ST286-E - Page 43

Garland ST286-E
76 pages
Print Icon
To Next Page IconTo Next Page
To Next Page IconTo Next Page
To Previous Page IconTo Previous Page
To Previous Page IconTo Previous Page
Loading...
Pièce n° 1382683 (01/08) Page 34
15b
15a
15c
15b
15c
15a
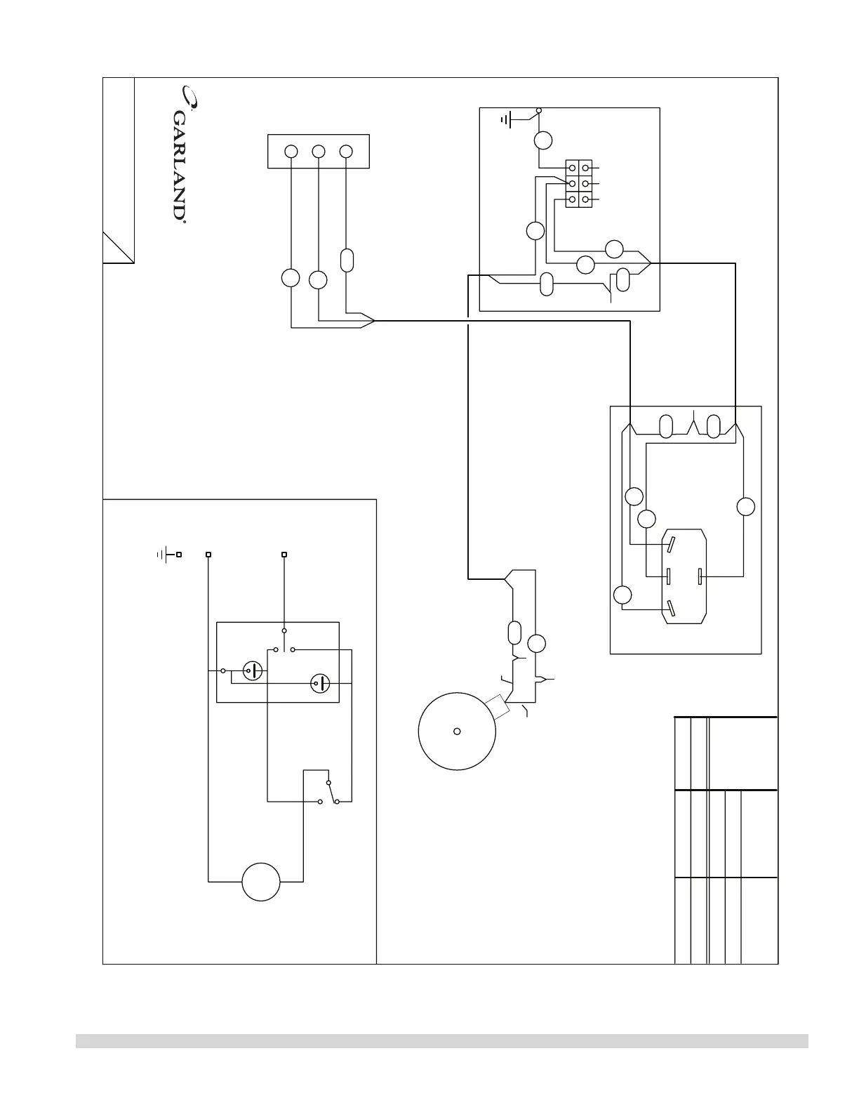
MODEL
KW (h.p.)
TOTAL LOADING
NOMINAL AMPS
ENL1
WHITE
BLACK
COOK
OFF
COOL
M~
L1
N
E
COOK
COOL
OFF
NO
NC
SWITCH POSITION
DOOR CLOSED
COM
SCHEMATIC
MOTOR
DOOR SWITCH
COOK/COOL SWITCH
SWITCH BOX
COMMON
NORMALLY OPEN
NORMALLY CLOSED
0.4
(1/3)
1.75
MISSISSAUGA, ONTARIO, CANADA
COMMERCIAL RANGES LIMITED
H280 1 RC OVEN (230N~)
MODEL
11
13
14
30
16
23
11
30
16
13
14
H280 RC
230V
230V
DRAWN APR/17 2006
2453101
:
DWG
SCHÉMAS DE CÂBLAGE suit

Table of Contents

Related product manuals