EasyManua.ls Logo

Garland ST286-E - Page 45

Garland ST286-E
76 pages
Print Icon
To Next Page IconTo Next Page
To Next Page IconTo Next Page
To Previous Page IconTo Previous Page
To Previous Page IconTo Previous Page
Loading...
Pièce n° 1382683 (01/08) Page 32
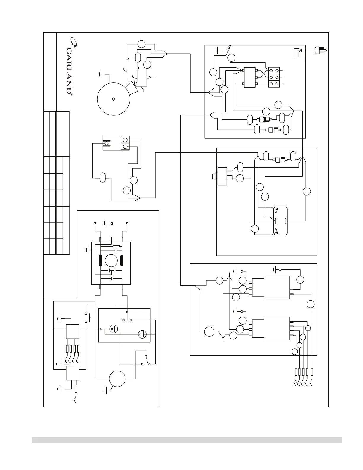
SCHÉMAS DE CÂBLAGE suit
12b
12a
12a
12c
12b
12c
25a
25b
25a
MODEL
KW (h.p.)TOTAL LOADING
(E)GND N L1
GREEN (GND)
BLACK (L1)
WHITE (N)
120V ONLY
(L2)
GREEN
WHITE
BLACK
COOK
OFF
COOL
M~
L1
N(L2)
GND
COOK
COOL
OFF
NO
NC
SWITCH POSITION
DOOR CLOSED
COM
SCHEMATIC
MOTOR
DOOR SWITCH
COOK/COOL SWITCH
BLUE
BLACK
BROWN
GROUND UNUSED
TERMINALS
MOMENTARY SWITCH
SWITCH BOX
2 x 0.1uf(X2)
2 x 2200pf(Y)
EMI FILTER
2 x 2.0mh
230 VOLT MODELS ONLY
(L2)
MODELS
EMI FILTER
230V
LOAD
LINE
GND
N
(E)
L1
1/4 FEMALE /
(BLK, GRN, RED)
16GA TEW
STRIP 3/8
SPARK GENERATORS
3
E
TERMINALS
GROUND UNUSED
N
21
L
3
EN
21
L
SPARK ELECTRODES
0.4
(1/3)
0.4 3.50.4
(1/3)(1/3)
1.751.8
ST286RCE, ST284RCE, ST283RCE
MODEL
1a
11
10
2a
15
17
11
10
16
1a
2a
15
17
1b
2b
2b
35
28
26
27
29
25b
27
35
26
30
30
31
31
MISSISSAUGA, ONTARIO, CANADA
GARLAND COMMERCIAL RANGES LIMITED
DRAWN APR/17 2006
S(T)28_ RCE
120V 230V 208V
120V
230V208V
0
12
NO
C
NC
2444300
:
DWG

Table of Contents

Related product manuals