EasyManua.ls Logo

GE LOGIQ S6 - Page 308

GE LOGIQ S6
318 pages
Print Icon
To Next Page IconTo Next Page
To Next Page IconTo Next Page
To Previous Page IconTo Previous Page
To Previous Page IconTo Previous Page
Loading...
GE HEALTHCARE
DIRECTION 5162630, REVISION 3 LOGIQ™ S6 SERVICE MANUAL
10-26 Section 10-7 - Electrical Safety Tests
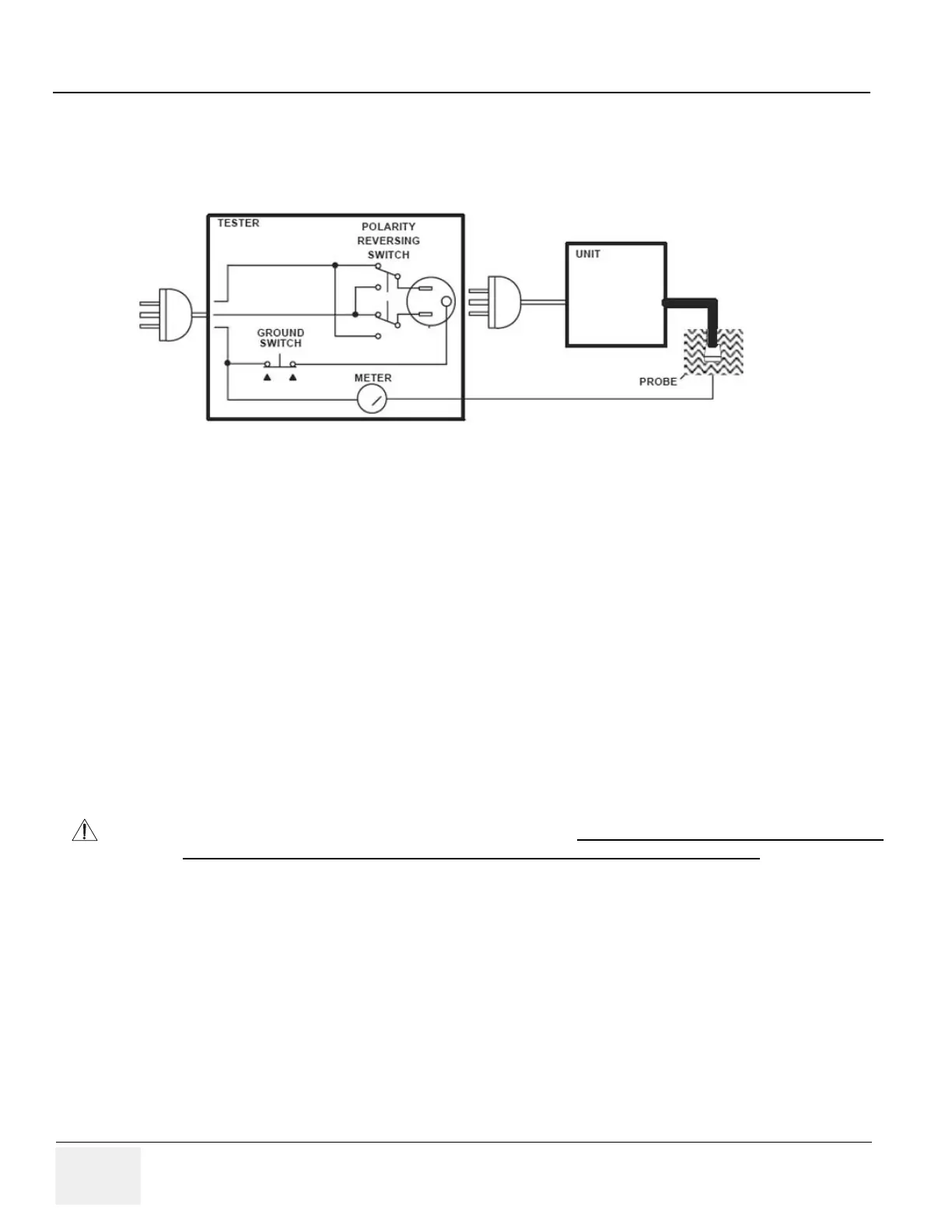
10-7-9-3 Generic Procedure for Leakage Current
Measurements should be made with the ground open and closed, with power line mains polarity normal
and reversed, and with the unit Off and On. For each combination, the probe must be active to find the
worst case condition.
10-7-9-4 Meter Procedure Using Dale Meter to Measure Leakage Current
The ultrasound probe’s imaging area is immersed in a solution along with a grounding probe from the
test meter to complete the current path. The solution is a mixture of water and salt. The salt adds free
ions to the water, making it conductive. Use a mixture of 1 quart of water with one or more grams of
table salt, mixed thoroughly.
Follow these steps to test each probe for leakage current:
1.) Turn OFF the LOGIQ™ S6 unit.
2.) Plug the unit’s mains power cord into the test meter, and plug the test meter into the tested AC wall
outlet.
3.) Plug the Chassis Ground Probe (saline probe) into the test meter's “CHASSIS” connector.
4.) Set the test meter's “FUNCTION” switch to “CHASSIS” (Dale 600) or "ENCLOSURE LEAKAGE"
(Dale 601).
5.) Connect the probe to be tested to the LOGIQ™ S6 unit.
6.) Put the saline probe and the probe’s probe face (imaging area of the probe) into the saline bath.
7.) Power ON the LOGIQ™ S6 unit.
8.) After the LOGIQ™ S6 unit has completed the boot process, select the probe to be tested so it is the
active probe.
9.) Depress the LIFT GROUND rocker switch and record the highest current reading.
10.)Follow the test conditions described in Table 10-25 for every probe.
The test passes when all readings measure less than the values shown in Table 10-15 and Table
10-16.
Figure 10-8 Set Up for Probe Leakage Current
CAUTION
To avoid probe damage and possible electric shock, do not immerse probes into any liquid
beyond the level indicated in the probe users manual. Do not touch the probe, conductive liquid
or any part of the unit under test while the LIFT GROUND switch is depressed.
SALINE

Table of Contents

Other manuals for GE LOGIQ S6

Related product manuals