EasyManua.ls Logo

GE Profile PB975 - Page 72

GE Profile PB975
75 pages
Print Icon
To Next Page IconTo Next Page
To Next Page IconTo Next Page
To Previous Page IconTo Previous Page
To Previous Page IconTo Previous Page
Loading...
– 72 –
(Continued Next Page)
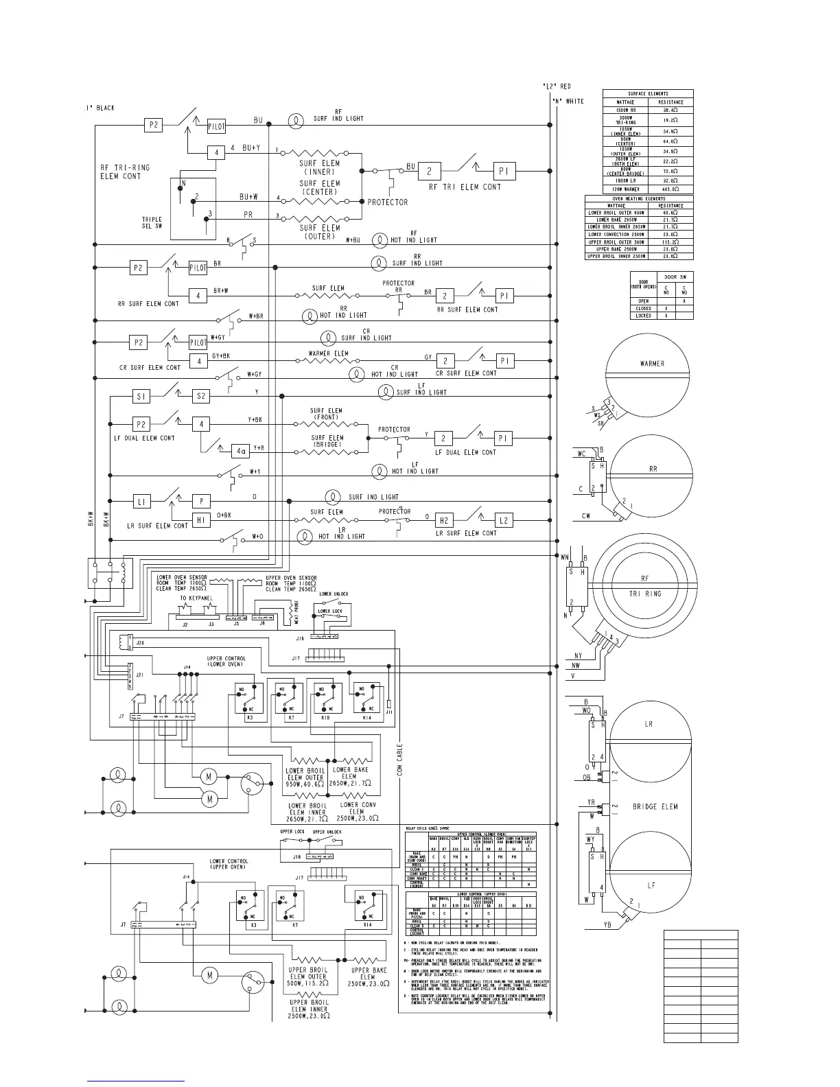
Model PB 975 Schematic
WIRE COLORS
BARE U
BLACK B or BK
BLUE N or BU
BROWN C or BR
GRAY S or GY
GREEN G or GN
ORANGE O
RED R
VIOLET V
WHITE W
YELLOW Y

Related product manuals