EasyManua.ls Logo

GE Profile PB975 - Schematics and Wiring Diagrams

GE Profile PB975
75 pages
Print Icon
To Next Page IconTo Next Page
To Next Page IconTo Next Page
To Previous Page IconTo Previous Page
To Previous Page IconTo Previous Page
Loading...
– 71 –
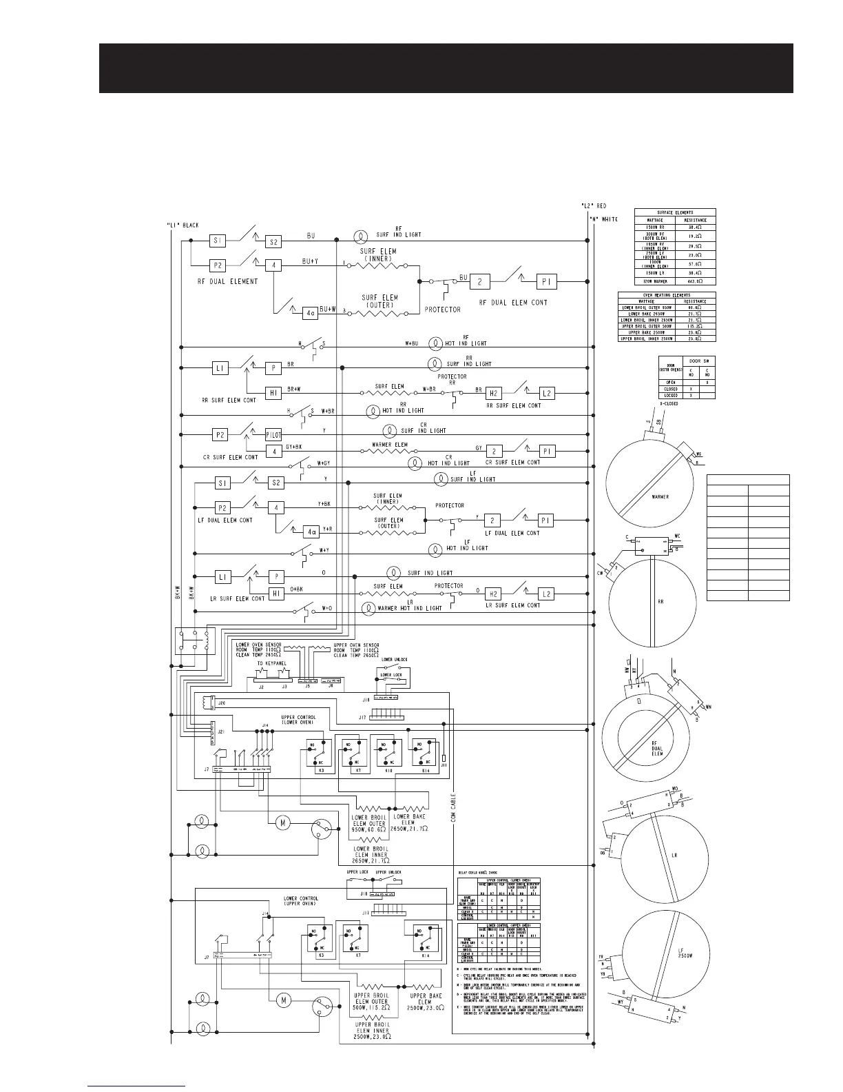
Schematics and Wiring Diagrams
WARNING: Disconnect electrical power before servicing.
Caution: Label all wires prior to disconnection. Wiring errors can cause improper and dangerous operation. Verify
operation after servicing.
(Continued Next Page)
Model PB 970 Schematic
WIRE COLORS
BARE U
BLACK B or BK
BLUE N or BU
BROWN C or BR
GRAY S or GY
GREEN G or GN
ORANGE O
RED R
VIOLET V
WHITE W
YELLOW Y

Related product manuals