EasyManua.ls Logo

Gema OptiSpray DPP01 - Optispray DPP01 - Pneumatic Diagram

Gema OptiSpray DPP01
41 pages
Print Icon
To Next Page IconTo Next Page
To Next Page IconTo Next Page
To Previous Page IconTo Previous Page
To Previous Page IconTo Previous Page
Loading...
V 03/13
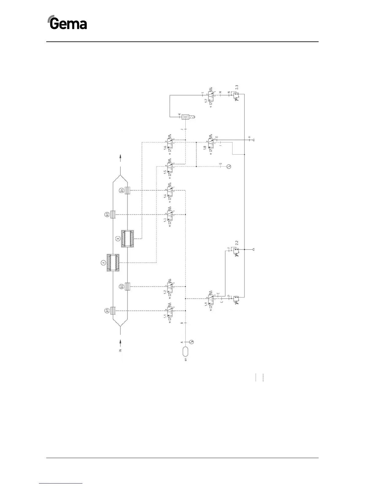
32 Schematic diagrams OptiSpray DPP01
OptiSpray DPP01 - pneumatic diagram
OptiSpray DPP01 - pneumatic diagram
Pumps Pinch valves
Transport air TL
Control unit
Vacuum injector
Powder aspiration IN
Pinch valves
Buffer volume
Hose connections
Air ducts in the distribution block
Powder output OUT
Pressure
injector
Press. pinch valve
Cleaning
Air supply
6 bar
Press. pinch valve
Pumping

Table of Contents

Related product manuals