EasyManua.ls Logo

Generac Power Systems Automatic Transfer Switch - Electrical Data

Generac Power Systems Automatic Transfer Switch
46 pages
Print Icon
To Next Page IconTo Next Page
To Next Page IconTo Next Page
To Previous Page IconTo Previous Page
To Previous Page IconTo Previous Page
Loading...
11
NEUTRAL BLOCK
0 GROUND
15B +12V
23 TRANSFER
AIR 1
AIR 2
PRIORITY 1
PRIORITY 2
PRIORITY 3
PRIORITY 4
T1
NEUTRAL
CONTACTOR
1
CONTACTOR
2
CONTACTOR
3
CONTACTOR
4
NOTE WIRE ORIENTATION
WARNING
TRANSFER
DC COMMON
CUSTOMER CONNECTIONS
23
0
194
+12VDC
LOAD SHED
DEVICE
N1N1
23
194
TERMINAL NUMBERS
NUMBERS TO
MATCH WIRE
NOTE:
23
194
178
183
T1/LINE
ON
0
T1
N2
E1
N2
NEU
E2
GROUND
NEUTRAL BLOCK
CUSTOMER SUPPLIED
NEUTRAL WIRE
NEUT
NOTES: 1. INSTALLATION MUST MEET
ALL NATIONAL, STATE AND
LOCAL ELECTRICAL CODES.
GROUND
2. REFERENCE INSTRUCTION MANUAL OF
SPECIFIC ENGINE GENERATOR FOR WIRING
CONNECTION DETAILS. THEY MAY DIFFER
FROM ILLUSTRATION.
OPERATE IN THE DIRECTION
A
A2A1 B1 B2 T2T1
0D7295
TRANSFER SWITCH
RATED VOLTAGE
RATED CURRENT
480 VAC UL
600 VAC CSA
XXXXXX
400 AMP
CLOSE STANDBY
SET MANUAL HANDLE ON "M" AND
OPERATE IN THE DIRECTION
B
OFF
STANDBY
ON
UTILITY
DO NOT OPERATE WHILE THE SWITCH IS UNDER LOAD.
MANUAL OPERATION
M
CLOSE UTILITY
SET MANUAL HANDLE ON "M" AND
SERVICE DISCONNECT
UTILITY SUPPLY FROM
CUSTOMER LOAD
(DISTRIBUTION PANEL)
RTSR TRANSFER SWITCH
CONNECTION PANEL
LIQUID-COOLED ENGINE GENERATOR
RESIDENTIAL/COMMERCIAL
194
23
E2
E1
T1 T2
N2
N1
N1 N2
T2T1
E2E1
N2
N1
0
T1
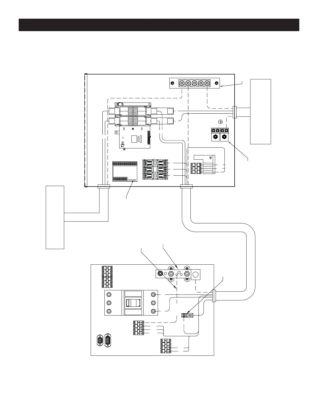
Interconnection Drawing No. 0K2433-A Electrical Data

Table of Contents

Related product manuals