EasyManua.ls Logo

Gilera 633499 - Page 55

Gilera 633499
270 pages
Print Icon
To Next Page IconTo Next Page
To Next Page IconTo Next Page
To Previous Page IconTo Previous Page
To Previous Page IconTo Previous Page
Loading...
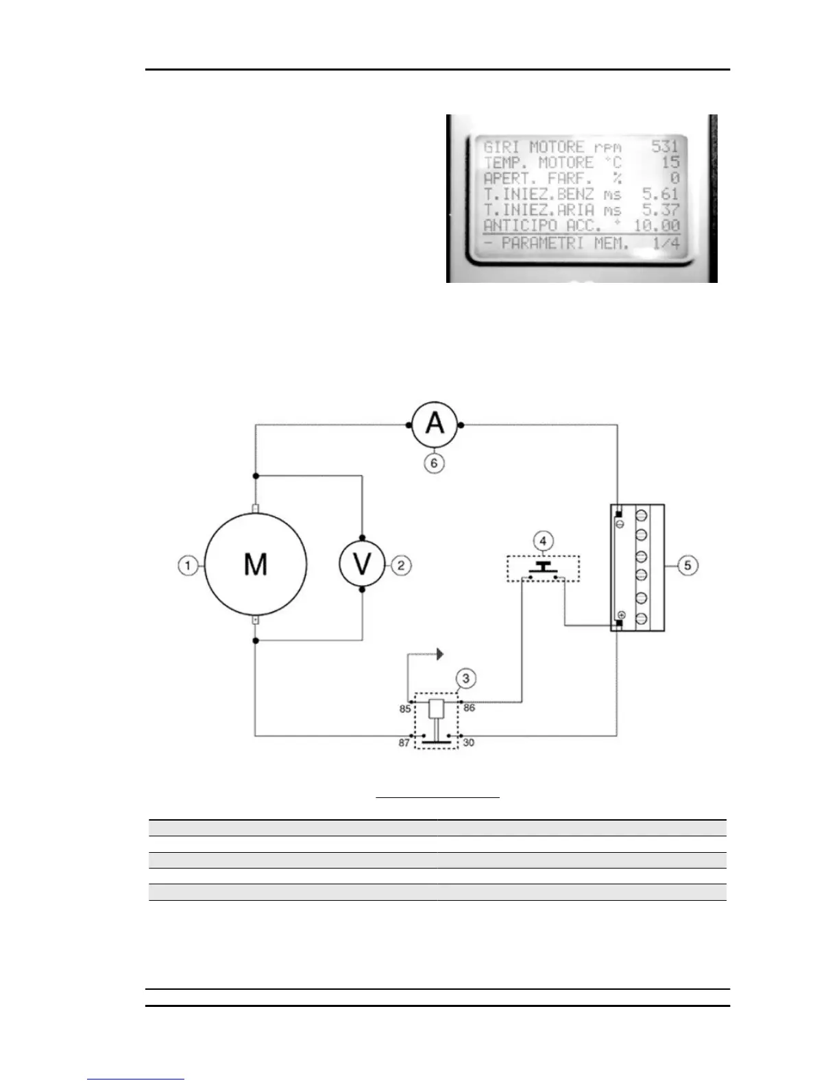
Carry out a no-load absorption test.
Remove the transmission cover.
Remove the starter pinion.
With the starter motor in no-load, maximum absorption must be 10 A with power supply voltage 12V.
STARTER MOTOR
Specification Desc./Quantity
Starter motor
Voltmeter
Starter motor contactor
Start button
Battery 12V-9Ah
Ammeter
See also
Centre-stand
Side fairings
Runner Purejet Electrical system
ELE SYS - 11

Related product manuals