EasyManua.ls Logo

Graco Husky 307 - Page 22

Graco Husky 307
36 pages
Print Icon
To Next Page IconTo Next Page
To Next Page IconTo Next Page
To Previous Page IconTo Previous Page
To Previous Page IconTo Previous Page
Loading...
22 308553
Service
02457C
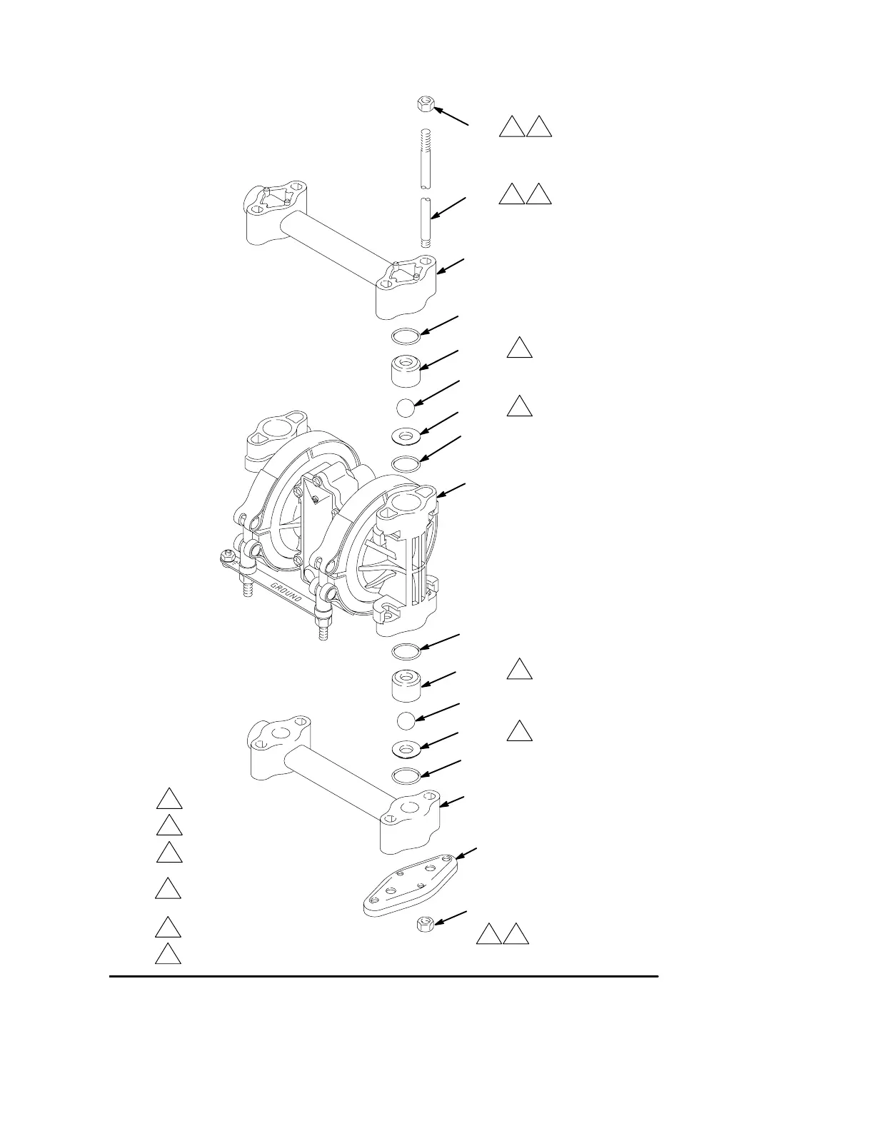
Fig. 15
102
101
102
107
201*
202*
201*
202*
106
106
1
3
4
2
Apply thread lubricant.
Do not over-torque.
Flat side faces ball.
Beveled end up.
Torque to 50 to 60 in-lb (5.6 to
6.8 N-m). See Torque Se-
quence, page 32.
5
301*
108*
108*
301*
108*
108*
1
3
2
4 5
4 5
3
2
104
6
Long threads at top.
6

Related product manuals