EasyManua.ls Logo

Graco PR70 Series - Page 36

Graco PR70 Series
52 pages
Print Icon
To Next Page IconTo Next Page
To Next Page IconTo Next Page
To Previous Page IconTo Previous Page
To Previous Page IconTo Previous Page
Loading...
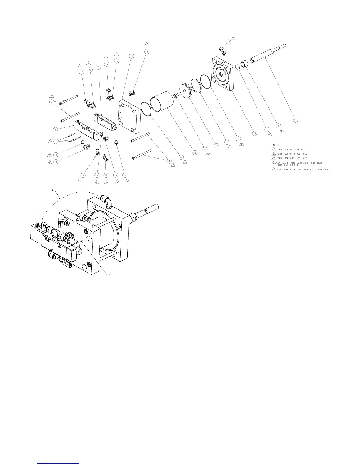
Air Cylinder Assemblies
Figure 43: PR70 Air Cylinder Assemblies, 3.0” & 4.5” Diameters (LC0110 & LC0111)
Key:
(LC0110, 3.0” DIA. Assy., PR70) (LC0111, 4.5” DIA. Assy., PR70)
Ref P/N Description QTY Ref P/N Description QTY
1 107571 ORING, VIT, BAD 1 1 107571 ORING,VIT,BAD 1
2 114100 SCREW, SHC, M4X0.7X55, MS, E 3 2 114100 SCREW, SHC, M4X0. 7X55,MS,E 3
3 120875 ORING, VIT, CCE 1 3 104131 ORING,VIT,CDG 1
4 120880 SCREW, SHC, M8-1.25 X 125, MS, E 4 4 120880 SCREW,SHC,M8-1.25X125,MS,E 4
5 120881 BEARING, 1.00ID X 1.252 OD X 1.00LG, 1 5 120881 BEARING, 1.00IDX1.252ODX 1.00LG 1
6 120884 SCREW, SHC, M12-1.75 X 20, MS 1 6 120884 SCREW, SHC,M12-1.75X20,MS 1
7 120899 VALVE, 4W, 3P, COE, DSSC, ¼ NPT, 24VDC 1 7 120899 VALVE, 4W, 3P,COE, DSSC, 1/4NPT, 24VDC 1
8 120900 VALVE, PWR, 4W, SSSR, 1/4NPT, 24VDC 1 8 120900 VALVE,PWR,4W, SSSR, ¼ NPT, 24VDC 1
9 120922 MUFFLER, AIR, ¼ NPT, FLOW CONTROL 1 9 120922 MUFFLER,AIR, 1/4NPT, FLOW CONTROL 1
10 120923 ELBOW, SWVL, ¼ TUBE X 10-32, FXM, 90
o
, 1 10 120923 ELBOW, SWVL, ¼ X 10-32, FXM, 90
o
, CM/PL 1
11 120932 ORING, VIT, JDA 2 11 104271 ORING,VIT,JDG 2
12 121018 ELBOW, SWVL, 3/8 TUBE X ¼ NPT, FXM, 90
o
5 12 121018 ELBOW,SWVL,3/8TUBEX ¼ NPT, FXM, 90DE 5
13 121020 ELBOW, SWVL, EXT'D, ¼ X ¼ NPT, FXM, 90
o
1 13 121020 ELBOW, SWVL, EXT'D, ¼ X ¼ NPT, FXM, 90
o
1
14 121021 MUFFLER, AIR, ¼ NPT, BRONZE 3 14 121021 MUFFLER,AIR, ¼ NPT, BRONZE 3
15 121022 ELBOW, SWVL, ¼ TUBE X ¼ NPT, FXM, 90
o
2 15 121022 ELBOW, SWVL, ¼ TUBE X ¼ NPT, FXM, 90DE 2
16 15K790 TUBE, AIR CYL, 3.0 I.D., PR70S 1 16 15K789 TUBE, AIR CYL,4.5 I.D.,PR70S 1
17 15K791 BLOCK, AIR CYL, ROD END, PR70S 1 17 15K791 BLOCK, AIR CYL, ROD END, PR70S 1
18 15K792 BLOCK, AIR CYL, BLIND END, PR70S 1 18 15K792 BLOCK, AIR CYL, BLIND END, PR70S 1
19 15K793 PISTON,AIR CYL, 3.0 I.D., PR70S 1 19 15K794 PISTON, AIR CYL,4.5 I.D.,PR70S 1
20 15K795 ROD, PISTON, AIR CYL, PR70S 1 20 15K795 ROD, PISTON, AIR CYL,PR70S 1
312393C 36 of 52

Table of Contents

Related product manuals