EasyManua.ls Logo

GRAVOGRAPH L-Solution 900 - Page 78

GRAVOGRAPH L-Solution 900
104 pages
Print Icon
To Next Page IconTo Next Page
To Next Page IconTo Next Page
To Previous Page IconTo Previous Page
To Previous Page IconTo Previous Page
Loading...
L-SOLUTION 700 / 800 / 900 machines . 78
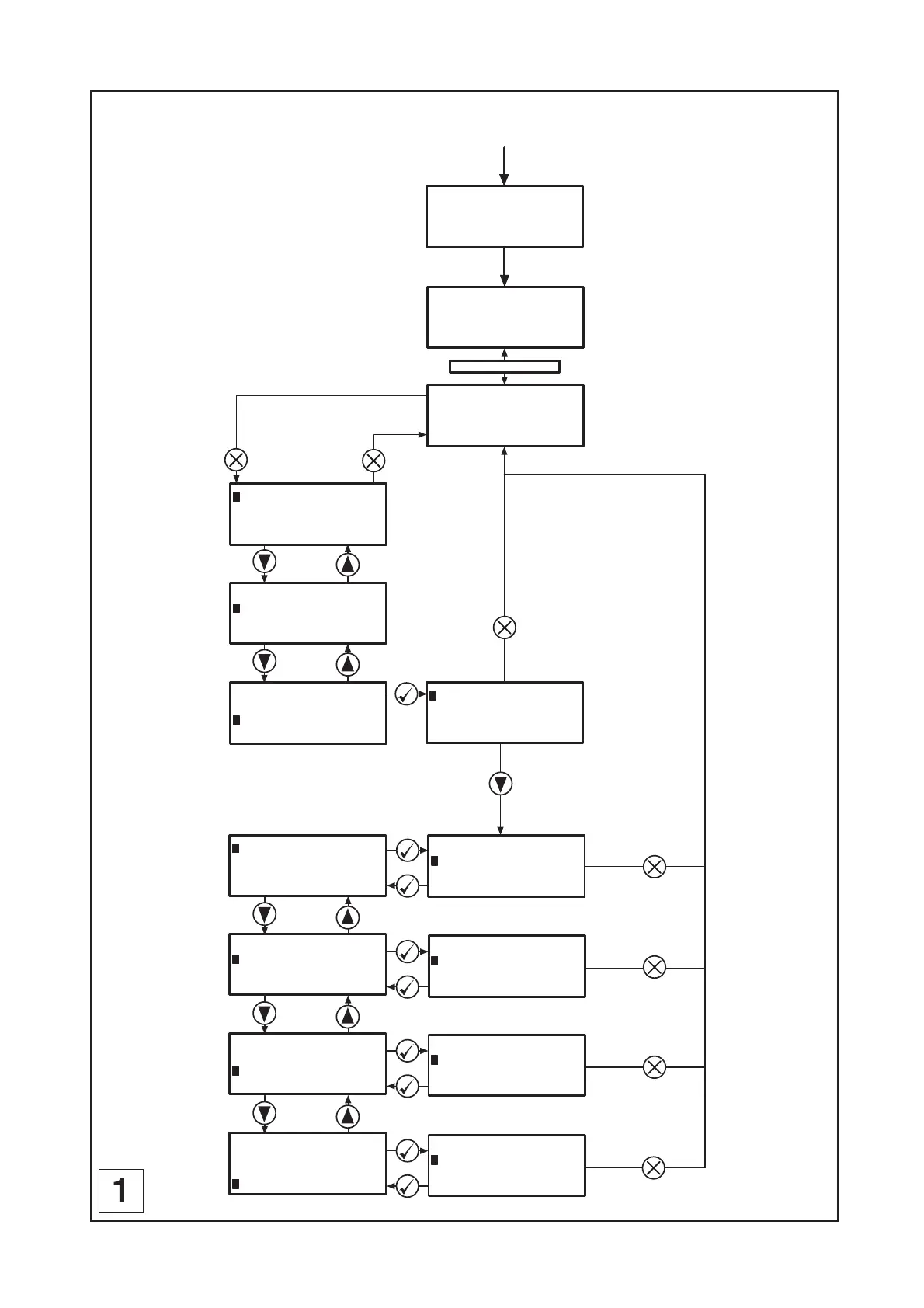
First contact
# : 1 0:01:29
001 FILENAME1
PUI 40 VIT 10
DPIX 400 DPIY 400
# : 1 0:01:29
001 FILENAME1
PUI 40 VIT 10
DPIX 400 DPIY 400
001 FILENAME1
002 FILENAME2
003 FILENAME3
004 FILENAME4
PARAMETERS
FILE
INFO
CONFIGURATION
PARAMETERS
FILE
INFO
CONFIGURATION
001 FILENAME1
002 FILENAME2
003 FILENAME3
004 FILENAME4
# : 2 0:02:37
002 FILENAME2
PUI 20 VIT 10
DPIX 300 DPIY 300
GRAVOGRAPH
LASER Version X.XX
LCD SOFT X.XX
16 Mo BOOT X.X
< READY TO RECEIVE >
001 FILENAME1
PUI 40 VIT 10
DPIX 400 DPIY 400
SET UP
FPGA X.XX
LCD SOFT X.XX
16 Mo BOOT X.X
001 FILENAME1
002 FILENAME2
003 FILENAME3
004 FILENAME4
# : 5 0:03:14
003 FILENAME3
PUI 40 VIT 20
DPIX 200 DPIY 200
001 FILENAME1
002 FILENAME2
003 FILENAME3
004 FILENAME4
# : 1 0:00:58
004 FILENAME4
PUI 20 VIT 20
DPIX 300 DPIY 300
PARAMETERS
FILE
INFO
CONFIGURATION
ENGRAVING
MENU
3 SECOND DELAY
POWER ON
System operation

Table of Contents

Related product manuals