EasyManua.ls Logo

Gree GMV-R series - 3�4 Floor Ceiling Type

Gree GMV-R series
188 pages
Print Icon
To Next Page IconTo Next Page
To Next Page IconTo Next Page
To Previous Page IconTo Previous Page
To Previous Page IconTo Previous Page
Loading...
Multi VRF Indoor
Unit Service Manual
89
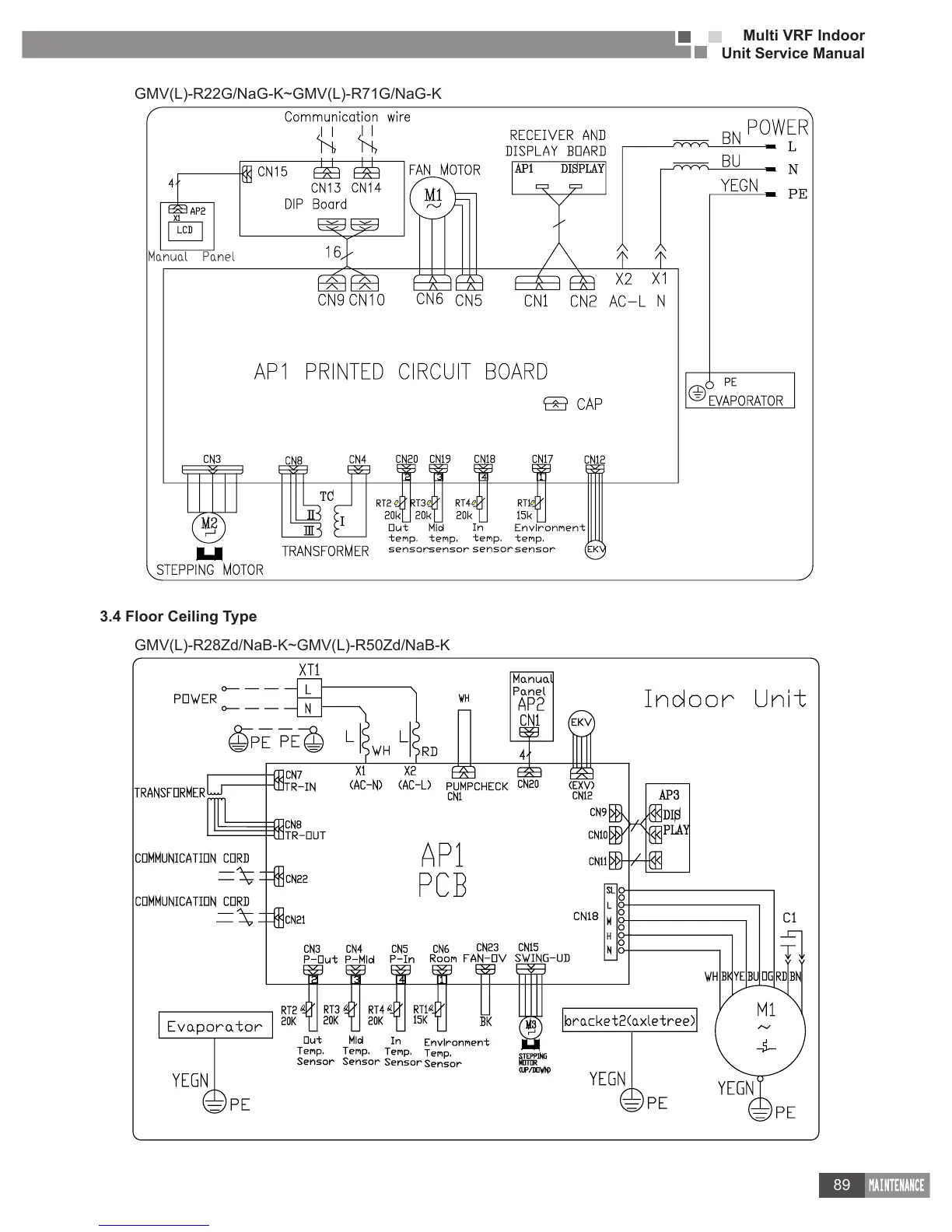
GMV(L)-R22G/NaG-K~GMV(L)-R71G/NaG-K
34 Floor Ceiling Type
GMV(L)-R28Zd/NaB-K~GMV(L)-R50Zd/NaB-K

Table of Contents

Related product manuals