EasyManua.ls Logo

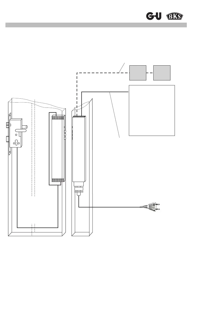
Gretsch-Unitas SECUREconnect 100 - Systemdarstellung

Default Icon
Print Icon
To Next Page IconTo Next Page
To Next Page IconTo Next Page
To Previous Page IconTo Previous Page
To Previous Page IconTo Previous Page
Loading...
Strom- und Datenübertrager
5
IO10
IO10
J-Y(ST) Y2x2x0.6
2.2 Systemdarstellung
Rahmen mit SECUREconnect 100R
Position und Kabel
(230V AC, 24V DC, BUS, Ansteuerleitung, IO10)
Bei Metall- und Kunststofftüren zum
Leitungsauslass beigefügte Kabeltülle
verwenden.
Potenzialfreier Ansteu-
erkontakt
z.B.
Taster,
Sprechanlage,
Zutrittskontrolle,
Zeitschaltuhr.
Ansteuermöglichkeiten
siehe Kap. 6
Anschlusskabel mit Klemmen für Eingänge
Tür mit SECUREconnect 100F
(Position und Kabel)
SECUREconnect 100F
SECUREconnect 100R
Detaillierte Einfräsmaße stehen auf der
Zeichnung 0-45733-LO zur Verfügung.
Ansteuermög-
lichkeiten siehe
Kap. 5

Table of Contents