EasyManua.ls Logo

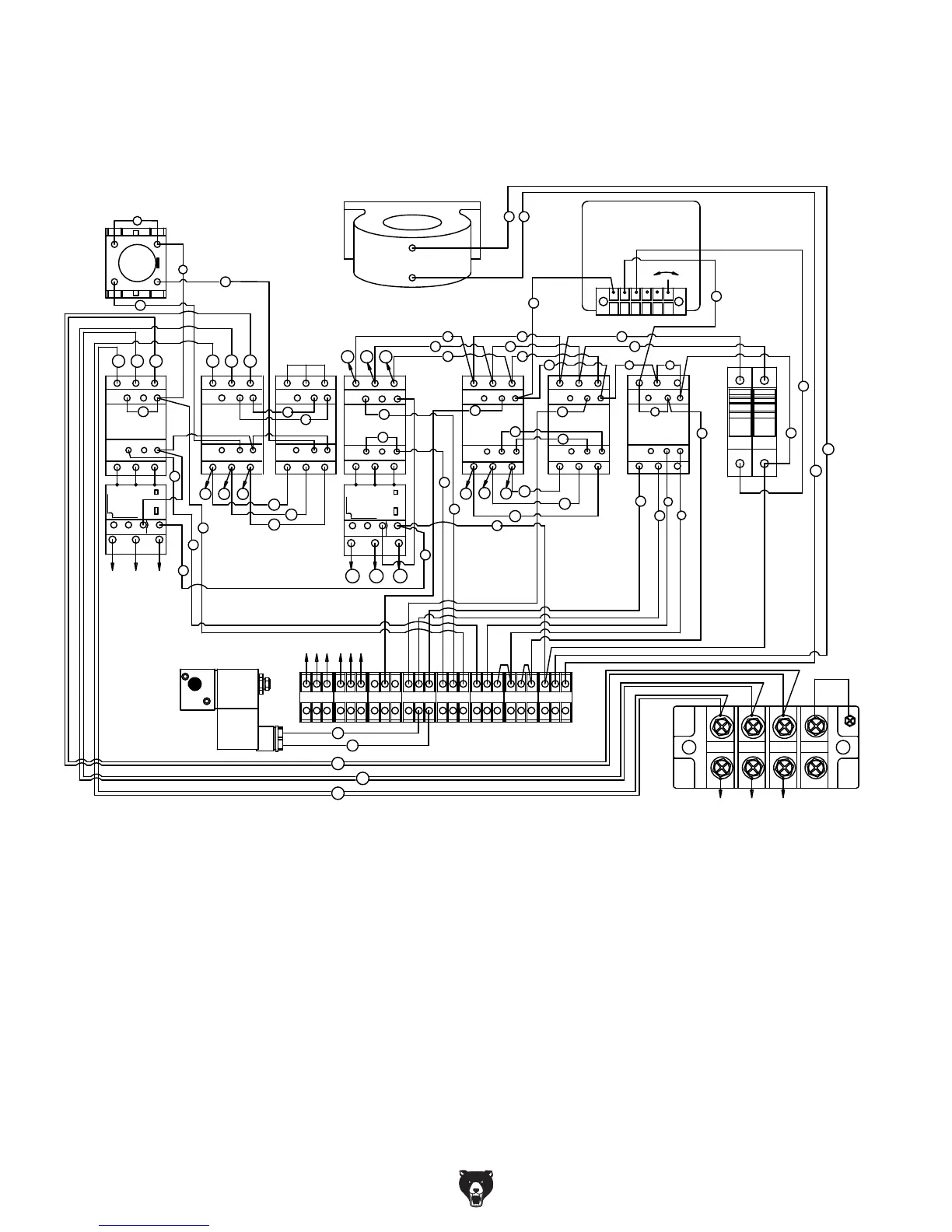
Grizzly H2933 - Main Electrical Panel and Controls Diagram

Grizzly H2933
106 pages
Print Icon
To Next Page IconTo Next Page
To Next Page IconTo Next Page
To Previous Page IconTo Previous Page
To Previous Page IconTo Previous Page
Loading...
-48- H2933/H2934/G0447/G0581 Wide Belt Sander
L 1
L 2
1 8
6
15
14
14
22 A2
T1
T2
T3
2
4
6
NC
NO
19
F US E
F US E
97
98
95
96
NO
NC
13
21
A1
L
L2
L3
1
3
5
NO NC
3
T1
T2
T3
2
4
6
2
3
W
2
U
2
V2
14
22 A2
T1
T2
T3
2
4
6
NC
NO
14
22 A2
T1
T2
T3
2
4
6
NC
NO
13
21
A1
L
L2
L3
1
3
5
NO NC
13
21
A1
L
L2
L3
1
3
5
NO NC
13
21
A1
L
L2
L3
1
3
5
NO NC
14
22 A2
T1
T2
T3
2
4
6
NC
NO
3
2
ESR
12
13
S O L E N O I D V A L V E
U1 V 1 U2 V2 W2 1 9
1 2
1 3 1 1
9
1 0
8 6 5 3 3 2
1 4
L 3
T
4 4 0 V
2 2 0 V
W1
5
1 5
U
V W
97
98
95
96
NO
NC
R
S T
13
21
A1
L
L2
L3
1
3
5
NO NC
14
22 A2
T1
T3
2
6
NC
NO
13
21
A1
L
L2
L3
1
3
5
NO NC
14
22 A2
T1
T2
T3
2
4
6
NC
NO
13
21
A1
L
L2
L3
1
3
5
NO NC
14
22
A2
T1
T2
T3
2
4
6
NC
NO
T1
T2
T3
2
4
6
12
13
17
5
2
2
T
S
R
U 1 V 1 W1
2
31
Z1
Y1
X1
33
R
S T
14
15
S
R
T
W2
V 2
U2
2
11
2
1 6 1 7
67
NO
55
NC
68
NO
56
NC
9
9
30
32
10
10
21
20
2
R
S
T
R
S
1
T
S
R
11
Y1
X1
Z1
CURRENT SENSOR
TRANSFORMER
OVERLOAD
RELAY
T2
4
8
8
9
9
SANDING MOTOR
CONTACTOR
SANDING
CONTACTOR
MOTOR
CONTACTOR
SANDING
MOTOR
MOTOR
CONTACTOR
CONVEYOR
TABLE UP/DN
CONTACTOR
MOTOR
TABLE UP/DN
CONTACTOR
MOTOR
CONTACTOR
EMERGENCY BRAKE
THERMAL RELAY
MOTOR
START
DELAY
Wiring Box Electrical Diagram (H2934/G0447)
220V 3-PH

Related product manuals