EasyManua.ls Logo

GSK DA98A - Page 60

GSK DA98A
80 pages
Print Icon
To Next Page IconTo Next Page
To Next Page IconTo Next Page
To Previous Page IconTo Previous Page
To Previous Page IconTo Previous Page
Loading...
DA98A AC Servo Drive Unit
User Manual
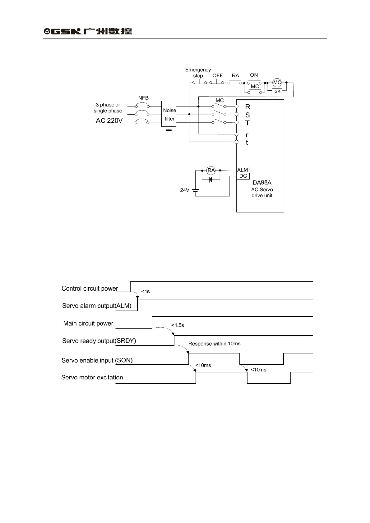
Fig. 7.1 Power supply wiring diagram
Time sequence of power on and alarm:
Fig. 7.2 Time sequence at power on
50

Related product manuals