EasyManua.ls Logo

Guspro BB-8416884 - Specifications; Dimensions: inches

Default Icon
158 pages
Print Icon
To Next Page IconTo Next Page
To Next Page IconTo Next Page
To Previous Page IconTo Previous Page
To Previous Page IconTo Previous Page
Loading...
Specifications
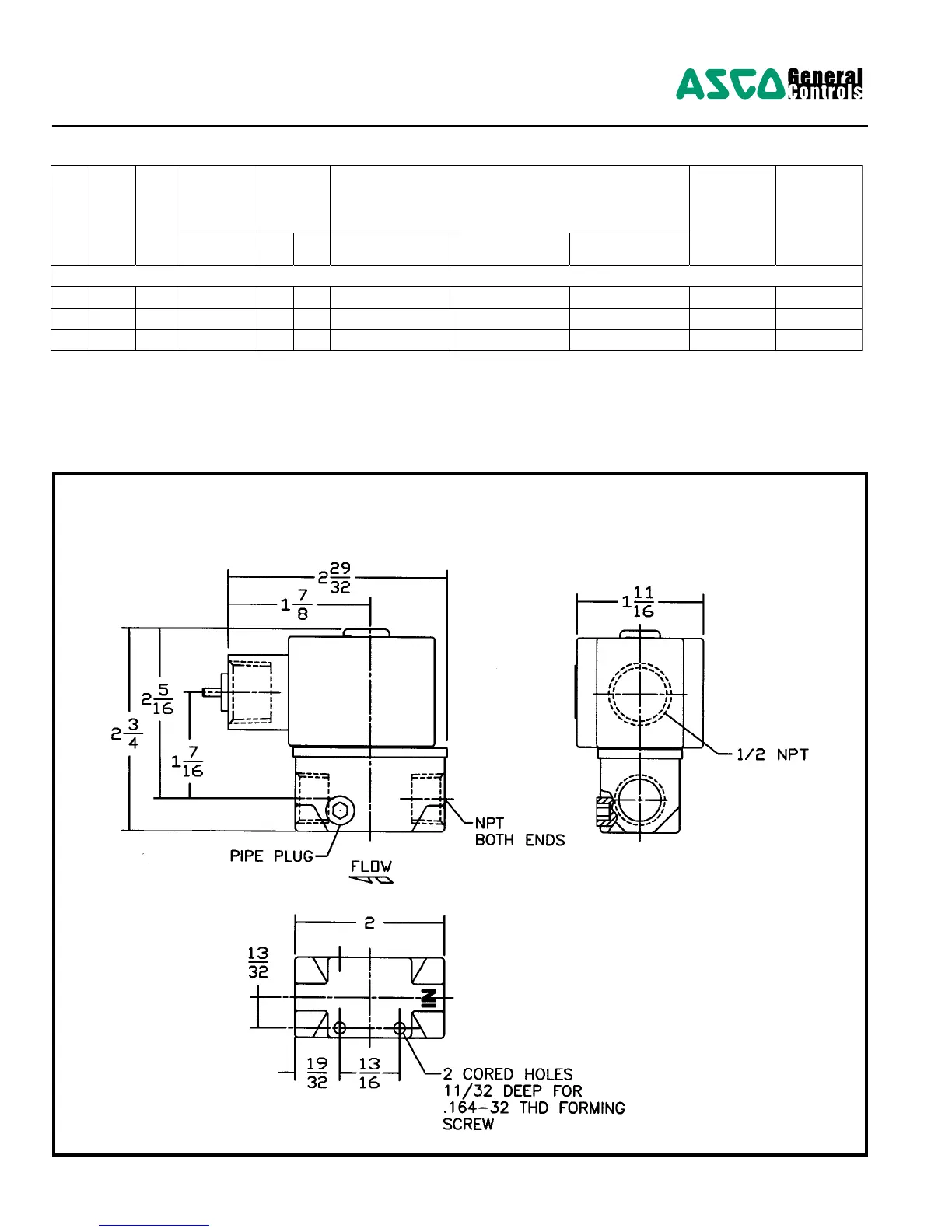
Dimensions: inches
Constr. Ref. 1
2/2
SERIES
SV311
®
Notes: 1” W.C. Drop @ 2” W.C. Inlet Pressure, 1, 000 Btu/Cu.Ft. or more, 0.64 Specific Gravity Gas
On 50 hertz service, the watt rating for the 6.1/F solenoid is 8.1 watts.
Standard lead length 18” (72” leads optional, add suffix “K”)
Pipe
Size
(ins.)
Orifice
Size
(ins.)
CV
Flow
Factor
Gas
Capacity
Operating
Pressure
Differential
(psi)
Catalog Number
Constr.
Ref. No.
Watt Rating/
Class of Coil
Insulation
Btu/hr Min. Max.
24 V
60 Hz.
110-120 V
50-60 Hz.
220-240 V
50-60 Hz.
NORMALLY CLOSED (Closed when de-energized)
1/8 5/16 1.0 53,700 0 15 SV311A01N6AF5 SV311A02N6AF5 SV311A04N6AF5 1 6.1/F
1/4 5/16 1.1 59,000 0 15 SV311A01N6BF5 SV311A02N6BF5 SV311A04N6BF5 1 6.1/F
3/8 5/16 1.2 64,400 0 15 SV311A01N6CF5 SV311A02N6CF5 SV311A04N6CF5 1 6.1/F
V7281

Table of Contents