EasyManua.ls Logo

Harley M6 - Adjustments

Harley M6
50 pages
Print Icon
To Next Page IconTo Next Page
To Next Page IconTo Next Page
To Previous Page IconTo Previous Page
To Previous Page IconTo Previous Page
Loading...
18 MODEL M6
OPERATIONAL PROCEDURE
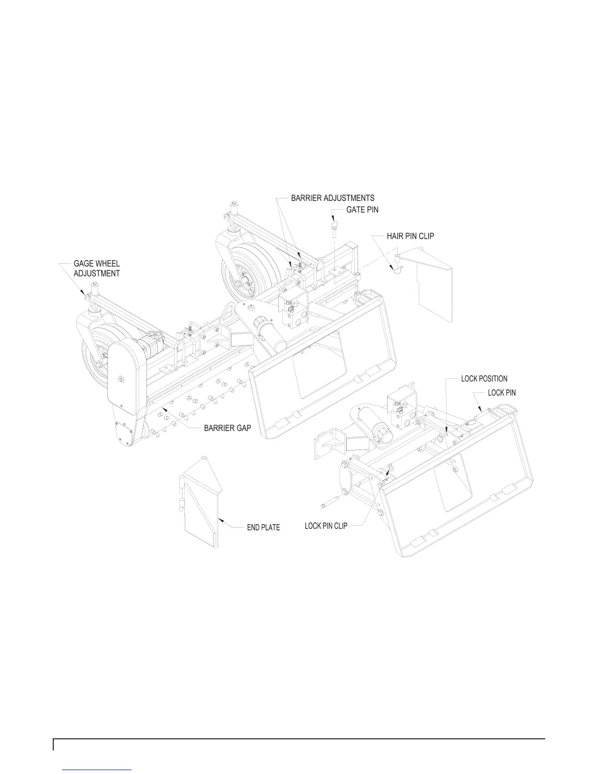
Figure 7. Adjustments

Table of Contents