EasyManua.ls Logo

HATTAT A90 - Brake System; Adjusting Travel of Brake Pedals; Adjusting Parking Brake; Bleeding Brake System of Air

Default Icon
103 pages
Print Icon
To Next Page IconTo Next Page
To Next Page IconTo Next Page
To Previous Page IconTo Previous Page
To Previous Page IconTo Previous Page
Loading...
68
9.4. Brake system
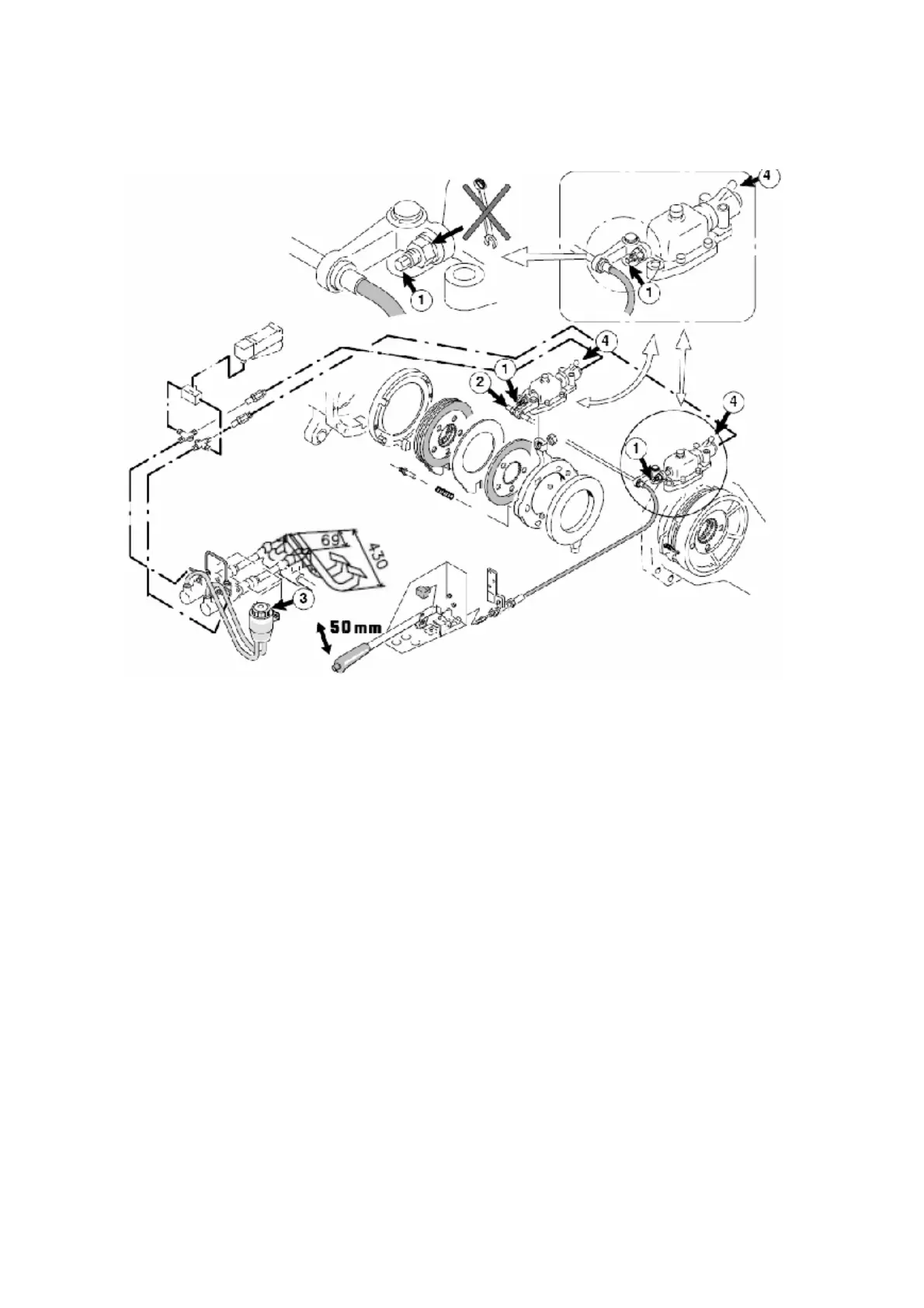
9.4.1. Adjusting travel of brake pedals
The travel should be 69mm with pedals connected
together.
- Fit blocks in front of the front wheels to prevent
the tractor from moving.
- Raise the rear end of the tractor off the ground
and adjust both brakes separately by turning the
brake rods (1) on the drive gear (NOTE: with the
ring spanner of 9 mm, the fork spanner may slip)
until the brakes are on.
- Slacken the brake rods 1 turn and check that the
wheels can rotate freely.
- Check by driving with the pedals connected
together that the brakes do not pull to one side.
Check the pedals free travel.
9.4.2. Adjusting parking brake
The parking brake is controlled mechanically and it
is connected to the foot brake mechanism by a
cable. The parking brake is adjusted in the factory
and re-adjustment is not necessary unless parts of
brake mechanism have been changed (the parking
brake is affected when the foot brakes are
adjusted).
When necessary, adjust parking brake lever free
travel to about 50 mm (at lever end) by turning the
adjusting nut (2) at the rear end of the cable.
IMPORTANT: Always adjust the driving brakes
before adjusting the parking brake.
9.4.3. Bleeding brake system of air
NOTE: Check that the brake fluid reservoir (3) is full
before starting to bleed the system.
Bleed the brakes as the following (the
brake pedals should not be latched together):
- Depress one of the brake pedals and at the same
time open the bleed nipple (4) on the brake which is
being actuated by the pedal. Before depressing the
brake pedal and opening the bleeding nipple, pump
several times with the pedal in order to build up the
pressure in the system.
- Depress the brake pedal fully and close the nipple
and slowly let the brake pedal up again.
- Repeat the pumping action with the brake pedal
until the brake fluid which runs out at the bleeding
nipple is completely free of air.
- The procedure for bleeding the brake is the same
on both sides.
- Check the brake fluid amount in the reservoir after
bleeding and top up if required.
If the tractor is equipped with the
trailer brake valve and / or air pressure brakes, they

Table of Contents

Other manuals for HATTAT A90

Related product manuals