EasyManua.ls Logo

Hayward 150 - GAS SUPPLY REQUIREMENTS

Hayward 150
57 pages
Print Icon
To Next Page IconTo Next Page
To Next Page IconTo Next Page
To Previous Page IconTo Previous Page
To Previous Page IconTo Previous Page
Loading...
20 USE ONLY GENUINE REPLACEMENT PARTS
51300004201B
GAS SUPPLY:
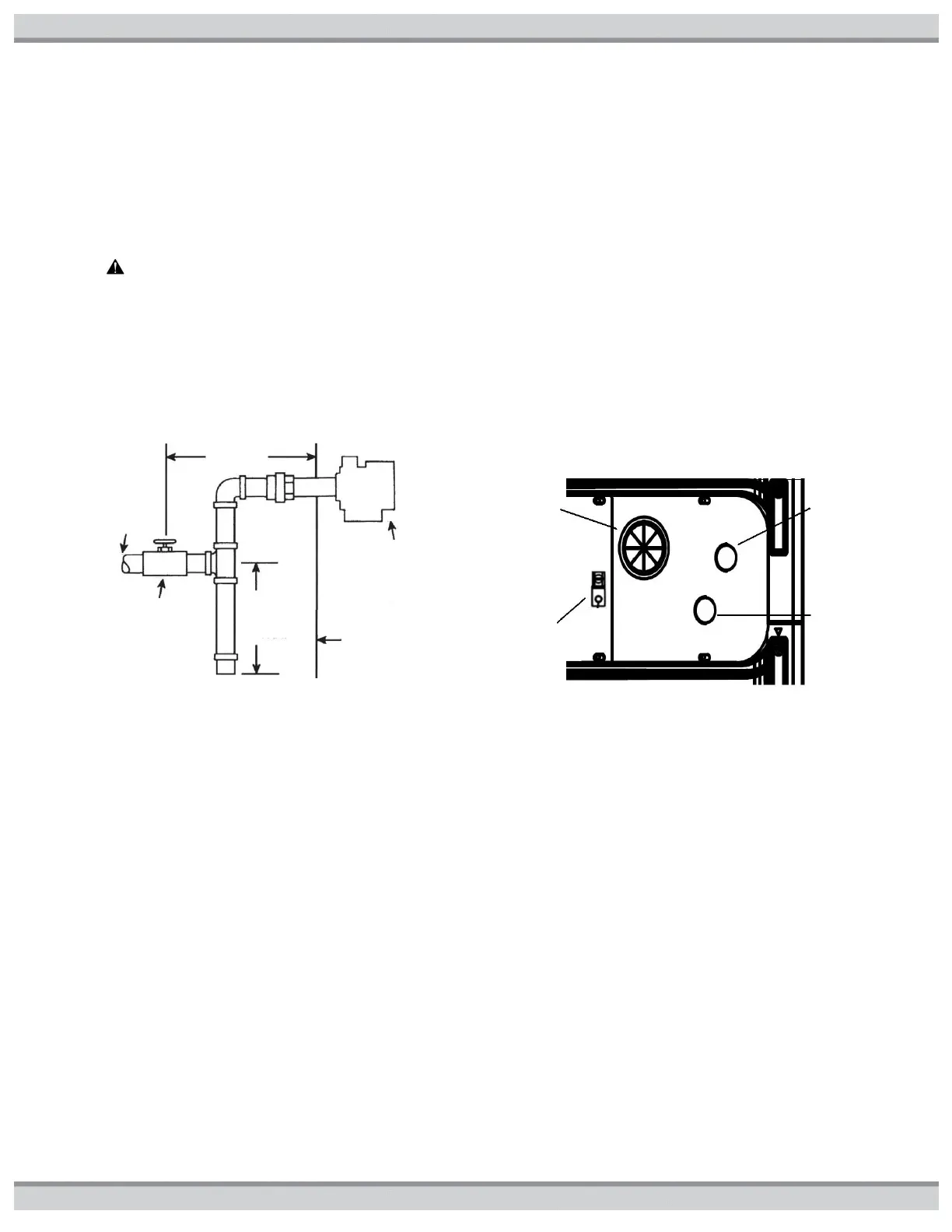
The heater is shipped from the factory with the gas connection located on the left side of the heater cabinet. The gas connection
can also be configured from the right. Insert the pipe to the gas valve through the grommet in the cabinet side (see Figure13.) A
union should be installed outside the heater cabinet for easy removal of the gas manifold assembly during service. A CSA certified
main gas shutoff valve must be installed outside the cabinet and within 6 feet of the heater. This valve must have an I.D. large
enough to supply the proper amount of gas volume to the heater. See Figure12. Reduction of gas supply pipe or tubing to the inlet
to the heater gas valve must be made at the valve only and must match the valve inlet size (3/4” or 1” NPT).If more than one
appliance is installed on the gas line, consult the local gas company or appropriate technical service for the proper gas line size.
CAUTION: Apply joint compound (pipe dope) sparingly and only to the male threads of pipe joints. Do not apply joint
compound to the first two threads. Use joint compounds resistant to the action of liquefied petroleum gas. Do not
overtighten the gas inlet pipe or damage may result.
NOTICE: Use Only CSA approved flexible outdoor gas appliance connectors marked with BTUH capacity (which must be
equal to or greater than the heater rated input) and appropriate gas type (natural and/or LP).
Figure12: Gas Piping with Shut Off & Trap
Figure13: Gas Entry and Junction Box Cover
NATURAL GAS: The gas meter must have the capacity to supply enough gas to the pool heater and any other gas appliances if
they are on the same pipeline (Example: 225 meter = 225,000 BTUH). If doubt exists as to the meter or regulation sizes, consult the
local gas utility for assistance. Natural gas must be “pipeline quality” supplied from a natural gas utility company.
NOTICE: Manufacturer is not responsible for heaters that are damaged if connected to a natural gas well.
PROPANE GAS: All propane gas tanks must be located outdoors and away from pool/spa structure and in accordance with the
standard for storage and handling of propane gas, ANSI/NFPA 58 (latest edition) and applicable local codes. If the propane gas
tank is installed underground, the discharge of the regulator vent must be above the highest probable water level. Propane tanks
must have sufficient capacity to provide adequate vaporization for the full capacity of the equipment at the lowest expected
temperatures. Consult a propane expert for accurate pipe and pressure sizing. Make sure that 1st and 2nd stage regulators are
large enough to handle the BTUH input listed for the heater(s) being used
NOTICE: Manufacturer is not responsible for heaters that soot due to improper gas line or propane tank sizing or regulation
control resulting in improper gas volume.
Gas Valve
Heater
Cabinet
3in
Sediment
trap
6in Max
Gas
Supply
Gas
Shut Off
Gas
Inlet
Bonding
Lug
Remote
Control
Wiring
Supply
Voltage
Wiring
Union

Related product manuals