EasyManua.ls Logo

HBS CDi 2302 - Components of the Stud Welding Unit

HBS CDi 2302
56 pages
Print Icon
To Next Page IconTo Next Page
To Next Page IconTo Next Page
To Previous Page IconTo Previous Page
To Previous Page IconTo Previous Page
Loading...
©HBS Bolzenschweiss-Systeme GmbH & Co. KG
All rights reserved – Reprinting, in whole or in part, only with the approval of the manufacturer
16
8 Components of the Stud Welding Unit
8 Components of the Stud Welding Unit
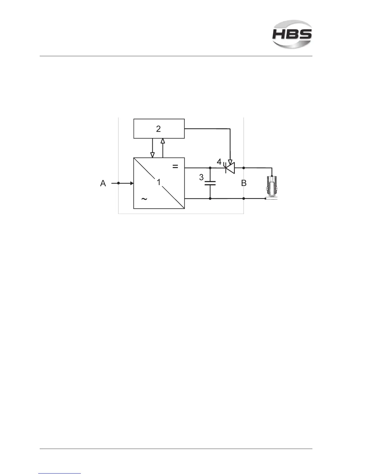
8.1 Main Assemblies
1- Charging device A - Primary supply
2 - Control B - Welding circuit
3 - Welding capacitors
4 - Welding thyristor
The mains alternating voltage is converted to direct voltage in the charging de-
vice (1). Charging of the welding capacitors (3) is performed with the charging
device and is fully adjustable. The welding capacitors store the energy required for
the welding process. The quantity of energy is dened by the operator via the char-
ging voltage.
The welding thyristor (4) releases the charging voltage.
The charging process and the welding process are controlled by the control sys-
tem (2).
The negative pole of the capacitor is connected to the welding gun. The positive
pole is usually connected to the workpiece via vice grips.
The type plate is located on the backside of the stud welding unit.

Related product manuals