EasyManua.ls Logo

Hettich UNIVERSAL 32 - Circuit diagram supply board (SB)

Hettich UNIVERSAL 32
49 pages
Print Icon
To Next Page IconTo Next Page
To Next Page IconTo Next Page
To Previous Page IconTo Previous Page
To Previous Page IconTo Previous Page
Loading...
40/49
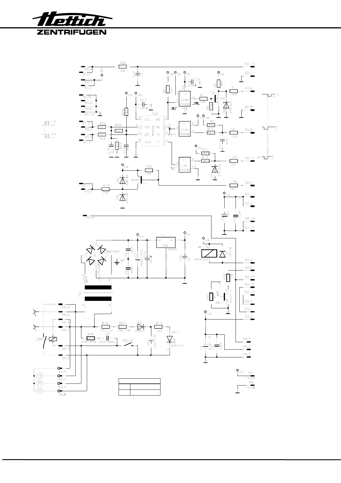
13.2. Circuit diagram supply board (SB)
Fehlermeldung von FC
error message from FC
+5V
GND
(-)485-Bus
(+)485-Bus
Hardware-stop
Tach o
Netzeingan
mains input
Verschluß
lid lock
Motor-Lüfter
motor-fan
Netz
mains
Stillstand
standstill
Deckel
lid
115V Version
TR1
R16
115V/12V
Brücke/bridge
Tach o
Zur Kühlplatine
to cooling board
Unwucht
imbalance
Unwucht GND
imbalance GND
Verschlußrelais
lid lock relay
Deckel offen-Meldun
g
lid open-message
Hardware-stop
TxD
listen/talk
RxD
FC-Fehler
FC-ERROR

Table of Contents

Related product manuals