EasyManua.ls Logo

Hettich UNIVERSAL 32 - Connecting diagram and component layout cooling board (CB)

Hettich UNIVERSAL 32
49 pages
Print Icon
To Next Page IconTo Next Page
To Next Page IconTo Next Page
To Previous Page IconTo Previous Page
To Previous Page IconTo Previous Page
Loading...
48/49
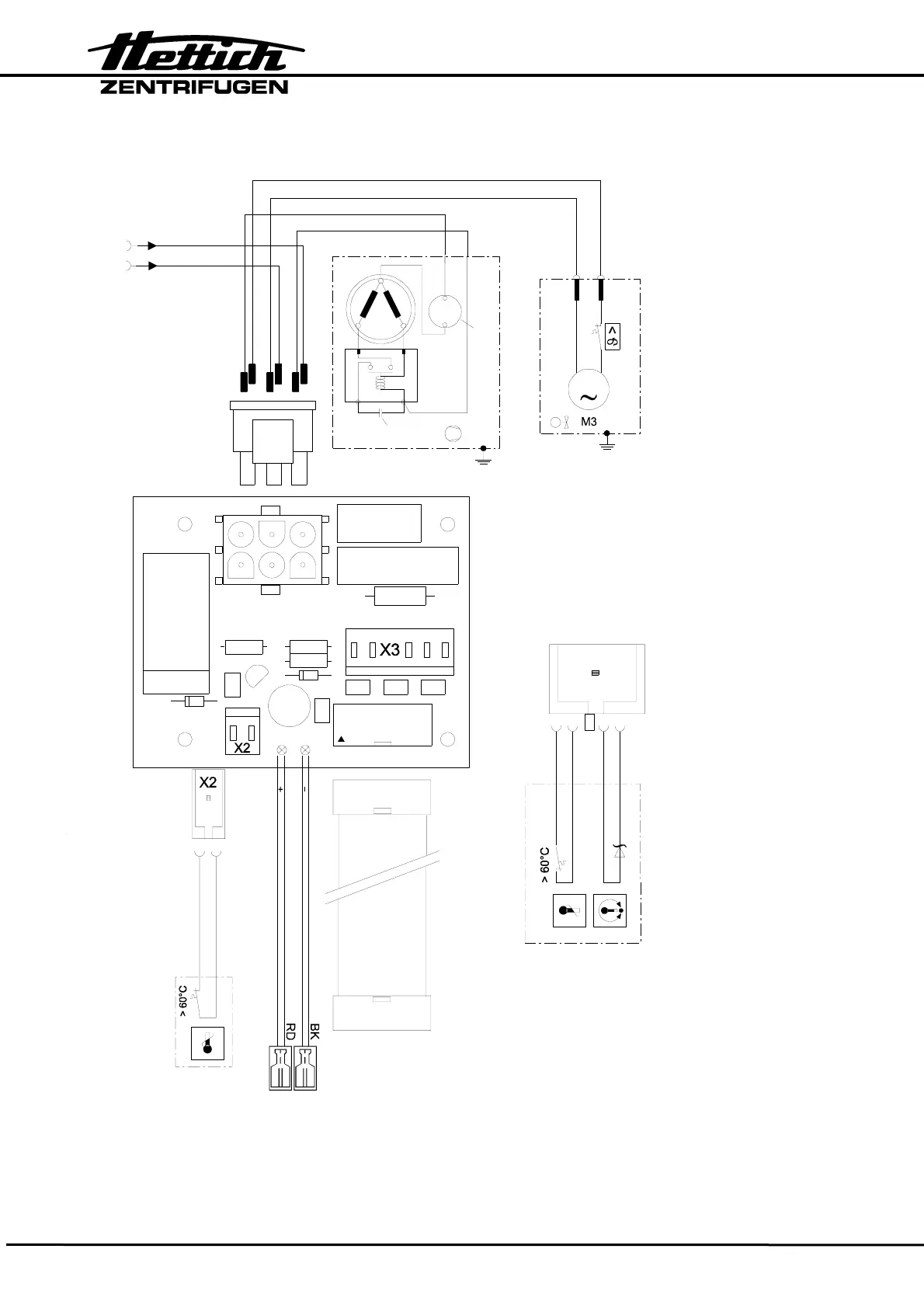
13.10. Connecting diagram and component layout cooling board (CB)
BN
WH
GN
YE
1
2
3456
Temperaturhler und Über-
temperaturschalter im Kessel
temperature sensor and overtemperatur
e
switch in centrifuge chamber
B1
12
Übertemperaturschalter am Kondensator
overtemperature switch at condenser
WH or GN or GY
BN or YE or PK
6
2
3
5
1
4
vom Funkentstörfilter Z1
from radio inference suppression filter Z
1
zur Versorgungsplatine A1
to supply board A1
zum Steuerteil A4
to control panel A4
A4 / X101
A3 / X4
X8
X7
X3
Anlaufkondensator
startup condenser
Motorschutzschalter
motor protective switch
2
SM
12
AP
C
1
1
3
M2
WH
BK
1
2
X1
BK
WH
M
14
5
6
2
3
C1
VDR1
R1
C6 C4 C5
X1
C3
X4
R2R3
R4
D1
C2
+
1
1
C7
T1
REL1
D2
1
B2

Table of Contents

Related product manuals