EasyManua.ls Logo

Hettich UNIVERSAL 32 - Block diagram Cooloing board(CB) only UNIVERSAL 32 R

Hettich UNIVERSAL 32
49 pages
Print Icon
To Next Page IconTo Next Page
To Next Page IconTo Next Page
To Previous Page IconTo Previous Page
To Previous Page IconTo Previous Page
Loading...
47/49
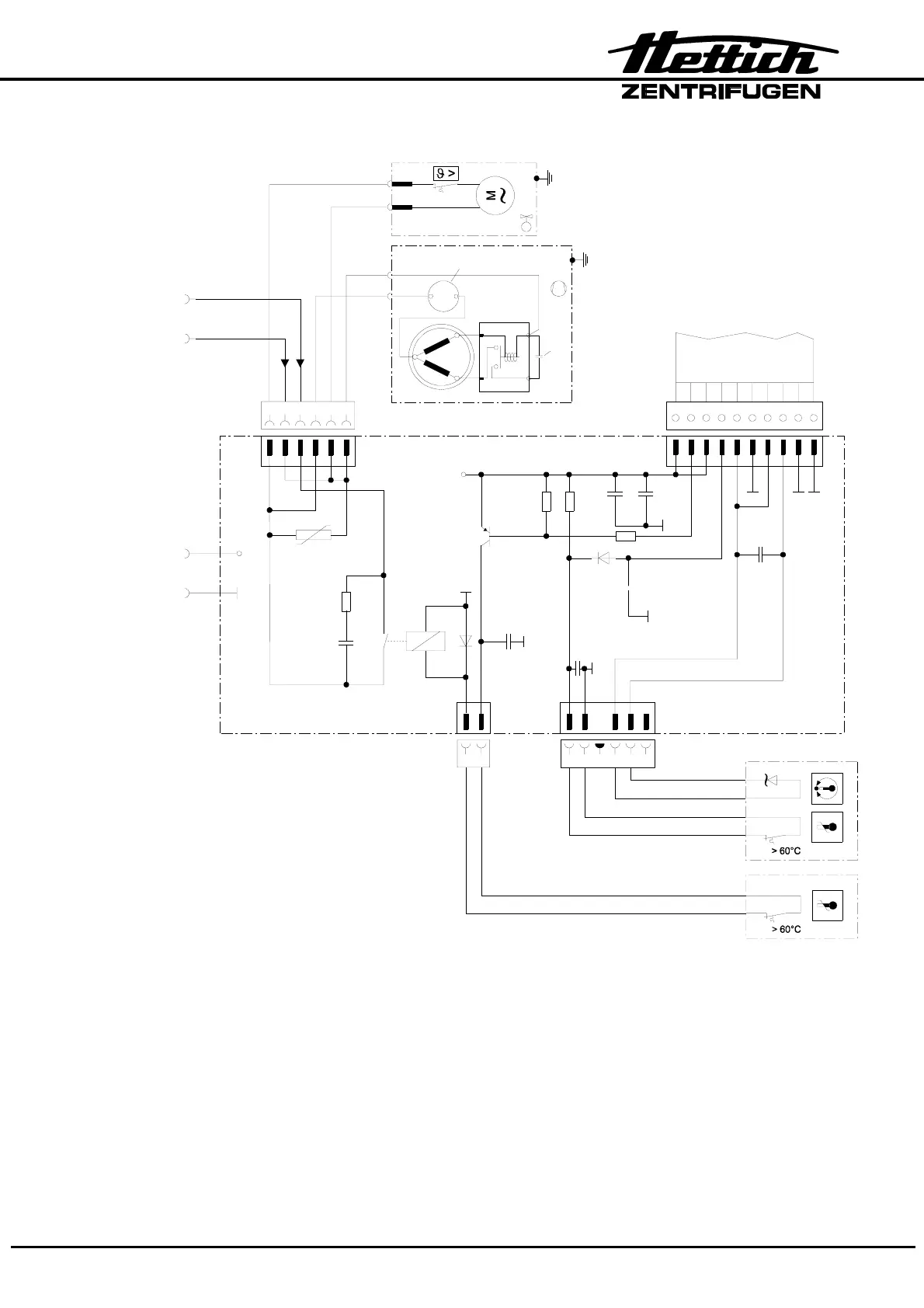
13.9. Block diagram Cooloing board(CB) only UNIVERSAL 32 R
1
2
4
5
6
123456
1
2
4
5
6
C5
100nF
100nF
100 F/35V
C2
C3
2
1
3
4
5
6
7
8
9
10
X4
R2
R4
R3
1k7
2k2
10k
D1
1N4148
C4
100nF
C6
100nF
12
1
2
GN (YE)
BN (GN)
WH (BN)
YE (GY)
YE
YE
X3
X2
D2
1N4148
REL1
RP330012
C6
100nF
+Ub
T1
BC327
2
1
3
4
5
6
X1
654321
R1
VDR1
220nF/250V
C1
10R/250V
+Ub
X8 X7
M3
Z1
1
Z1
2
BK
WH
vom Funkentst
ö
r
f
ilter Z
1
from radio interference suppression filter Z1
hlungplatine A3
cooling board A3
B2 B1
WH
BK
2
3
4
56
7
8910
1
zum Steuerteil A4 / X101
to control panel A4 / X101
von Versorgungsplatine A
1
from supply board A1
Anlaufkondensator
startup condenser
Motorschutzschalter
motor protective switch
2
SM
12
AP
C
1
1
3
M2
BK
WH

Table of Contents

Related product manuals