EasyManua.ls Logo

Hidral PH-300 - Hydraulic Adjustment; Description of the Group; Hydraulic Diagram

Default Icon
44 pages
Print Icon
To Next Page IconTo Next Page
To Next Page IconTo Next Page
To Previous Page IconTo Previous Page
To Previous Page IconTo Previous Page
Loading...
IM-560en
Vers. 05
Page 38
ASSEMBLY INSTRUCTIONS
VERTICAL LIFTING PLATFORM PH-300
12. Hydraulic adjustment
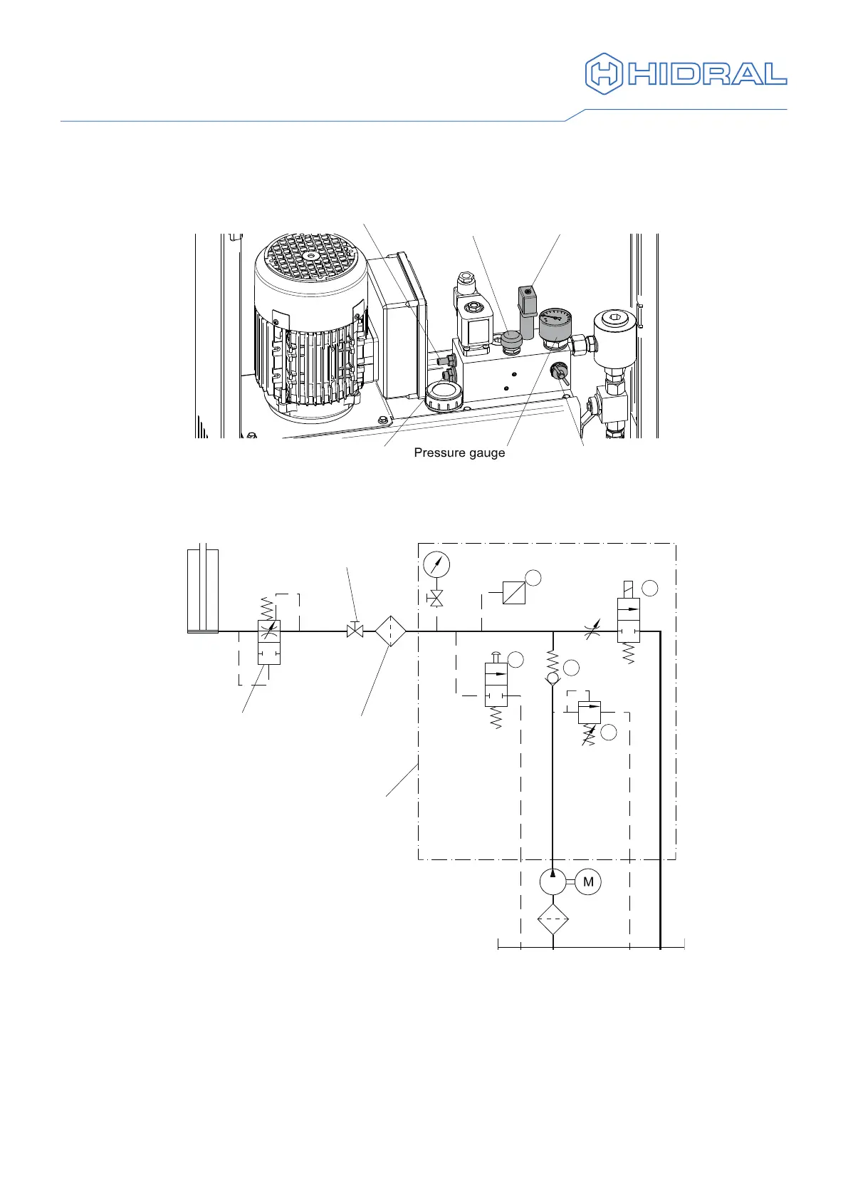
12.1. Description of the group
Pressure gauge
protection key
Bolt A: Overpressure
in operation
Bolt B: Descent speed
Manual descent
push button
Pressure
transducer
12.2. Hydraulic diagram
A
B
4
1
3
2
Valve block
Safety valve
Shut-off valve
Filter
5
p
I
Non-return valve
Descent electrovalve
Overpressure valve
Manual descent valve
Pressure transducer
A Overpressure valve regulation (maximum pressure)
B Descent speed regulation