EasyManua.ls Logo

Hioki FT3151 - 4.5 Before Returning for Repair

Hioki FT3151
132 pages
Print Icon
To Next Page IconTo Next Page
To Next Page IconTo Next Page
To Previous Page IconTo Previous Page
To Previous Page IconTo Previous Page
Loading...
2
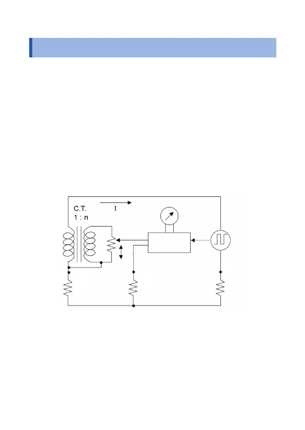
測定原理
付録 2 測定原理
(1) 3電極法(精密測定)
図に接地抵抗計の測定原理図を示します。
発振器の発振電圧によって駆動された測定電流I 、発振器
Rc Rx C.T.によって形成されるループを流れます。
、検流計がバランスした場合には、測定端子E-S(P) 間に生じ
る電圧をEx、測定端子E としゅう動抵抗器のしゅう動子S 間の
抵抗をRs その電圧降下をEs としますとEx=IRxEs=IRs/n
nC.T. の巻線比)Ex=Es より Rx=Rs/n となります。
したがって、しゅう動抵抗器に直結したダイヤルにRs に対して
1/n の目盛を設定すれば、ダイヤル上の読み値が求める接地抵抗
(Rx)となります。
検流計
同期整流器
発振器
S(P)
H(C)
Rp
Rc
Rx
Rs
S
E
測定原理図3電極法)

Related product manuals